EasyManua.ls Logo

Power SUA6900D - Merchandise Return Guidelines

Power SUA6900D
40 pages
Print Icon
To Next Page IconTo Next Page
To Next Page IconTo Next Page
To Previous Page IconTo Previous Page
To Previous Page IconTo Previous Page
Loading...
Page 31
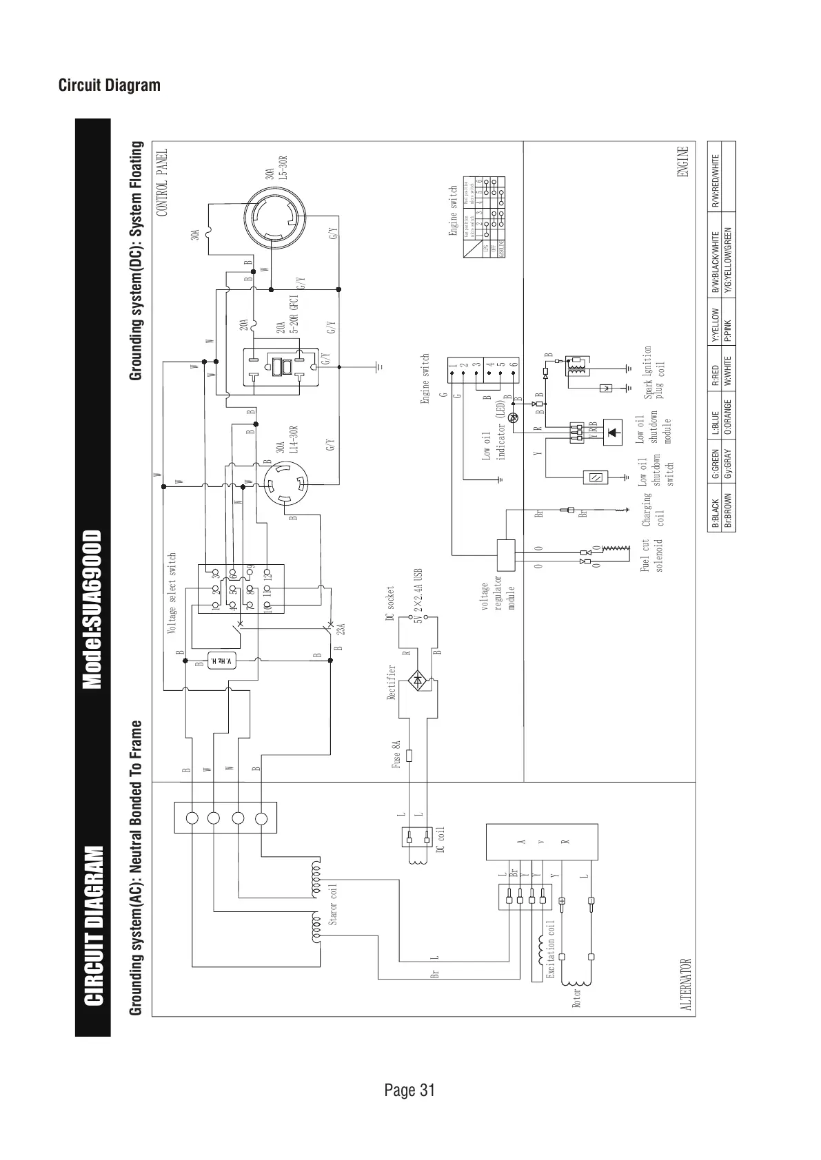
Circuit Diagram
Grounding system(AC): Neutral Bonded To Frame
CIRCUIT DIAGRAM
Model:SUA6900D
B:BLACK
Br:BROWN
G:GREEN
Gy:GRAY
L:BLUE
O:ORANGE
R:RED
W:WHITE
Y:YELLOW
P:PINK
B/W:BLACK/WHITE
Y/G:YELLOW/GREEN
R/W:RED/WHITE
Grounding system(DC): System Floating
Br
L
Br
L
Y
L
Y
Y
DC coil
L
L
Fuse 8A
5V 2×2.4A USB
Rectifier
W
B
W
B
Staror coil
R
v
A
Excitation coil
Rotor
Engine switch
ALTERNATOR
CONTROL PANEL
ENGINE
2
1
3
6
5
4
7
9
8
10
11
12
G/Y
23A
20A
30A
Voltage select switch
V. Hz. H.
B
B
W
W
W
W
W
W
G/Y
G/Y
B
B
B
B
W
B
B
B
B
G/Y
R
B
20A
5-20R GFCI
30A
L14-30R
30A
L5-30R
G/Y
DC socket
W
OFF
LPG
2
1
Low oil
indicator (LED)
R
B
Y
Charging
coil
Fuel cut
solenoid
Low oil
shutdown
module
lgnition
coil
Spark
plug
Low oil
shutdown
switch
voltage
regulator
module
3 4 5 6
GASOLINE
1
2
3
4
5
6
B
B
G
G
Br
O
O
Engine switch
R
BY
Gas position
micro switch
B
B
B
O
O
Br
Fuel position
micro switch

Other manuals for Power SUA6900D

Related product manuals