EasyManua.ls Logo

Powermat PM-OPS-14 - Page 14

Powermat PM-OPS-14
14 pages
Print Icon
To Previous Page IconTo Previous Page
To Previous Page IconTo Previous Page
Loading...
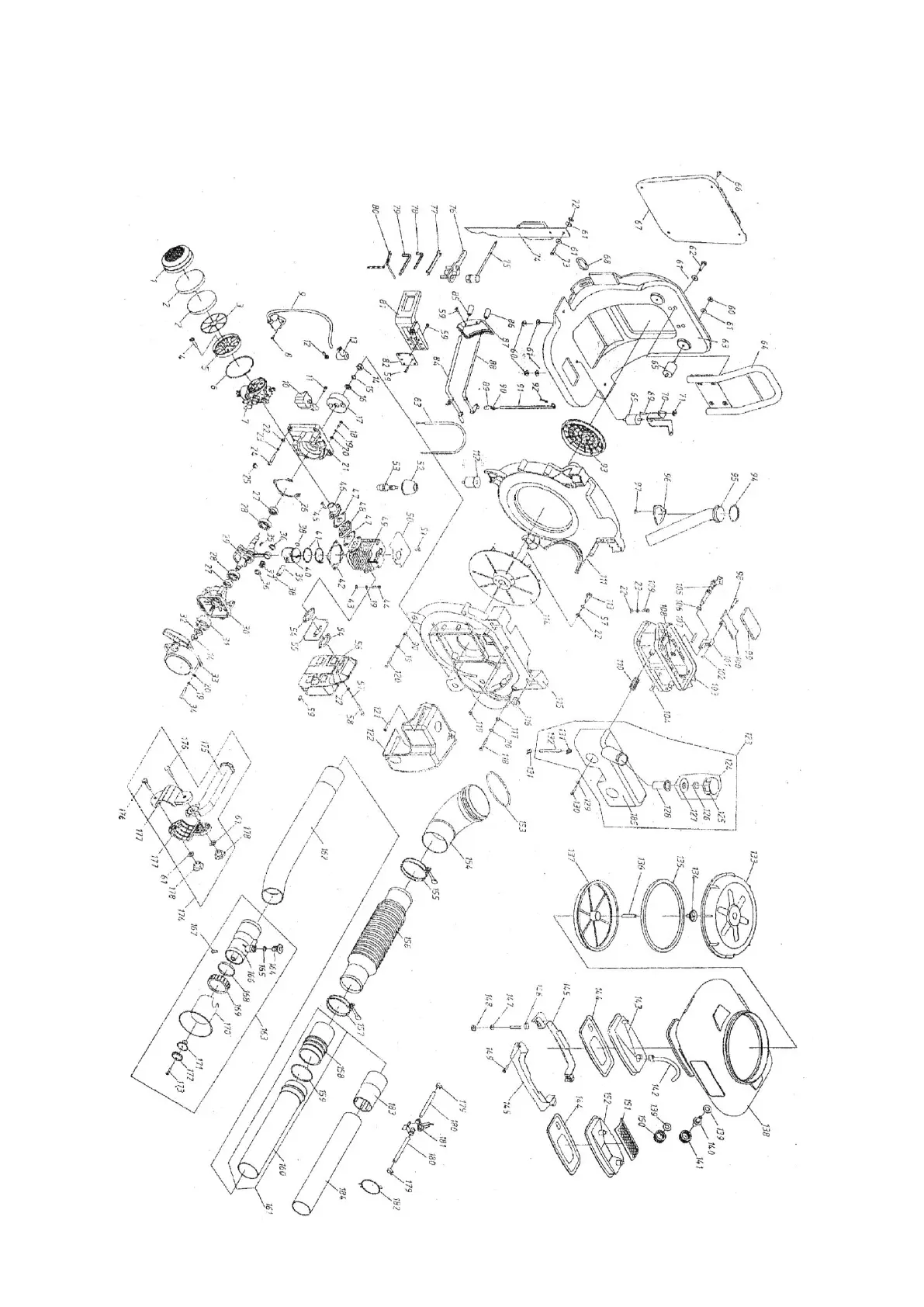
Scheme
14