EasyManua.ls Logo

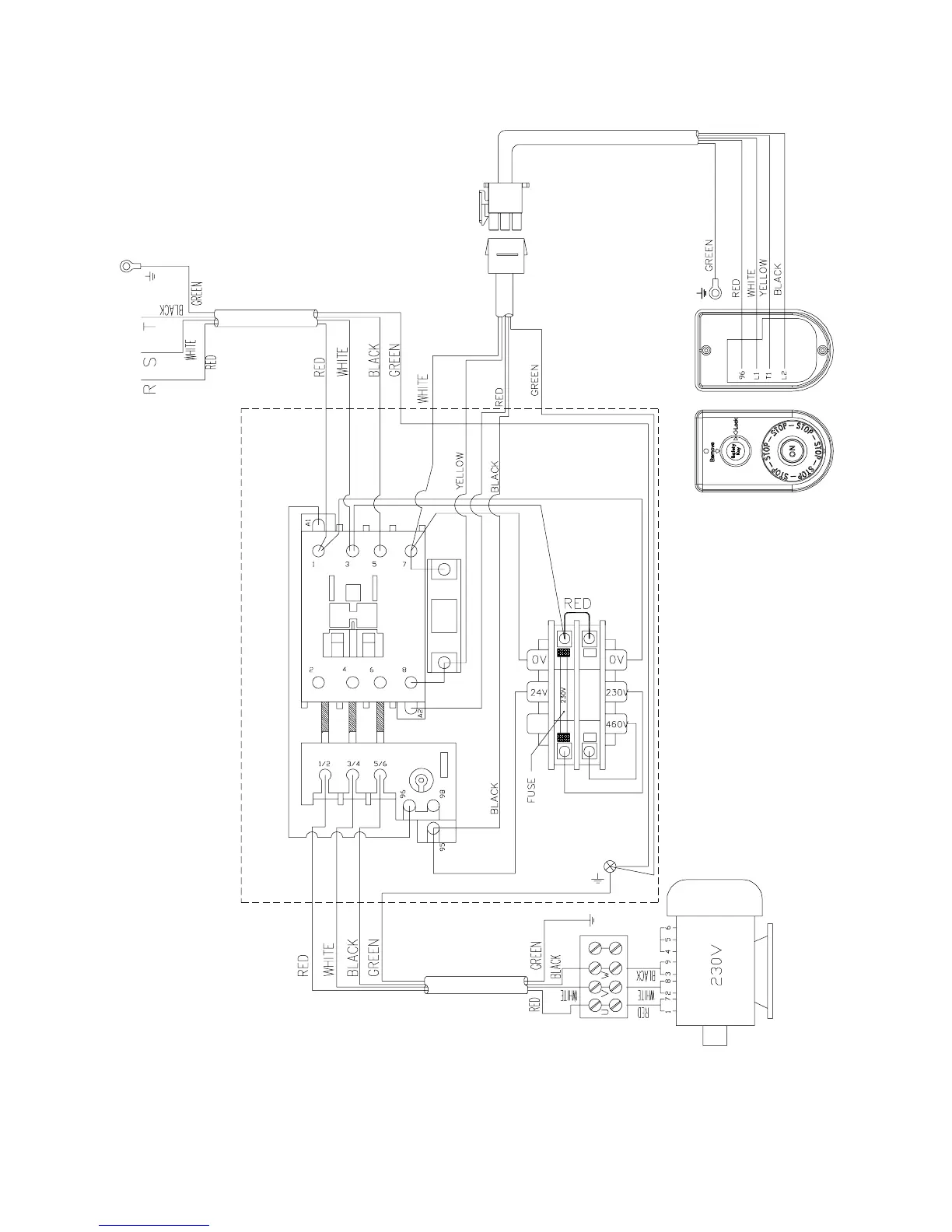
Powermatic 60C - Electrical Connections - 3 Phase, 230 Volt

Powermatic 60C
44 pages
Print Icon
To Next Page IconTo Next Page
To Next Page IconTo Next Page
To Previous Page IconTo Previous Page
To Previous Page IconTo Previous Page
Loading...
41
Electrical Connections – 3 Phase, 230 Volt

Table of Contents

Related product manuals