EasyManua.ls Logo

PowerMax PM - Page 30

PowerMax PM
36 pages
Print Icon
To Next Page IconTo Next Page
To Next Page IconTo Next Page
To Previous Page IconTo Previous Page
To Previous Page IconTo Previous Page
Loading...
Pentair Water Commercial Pool and Aquatics
Page 30
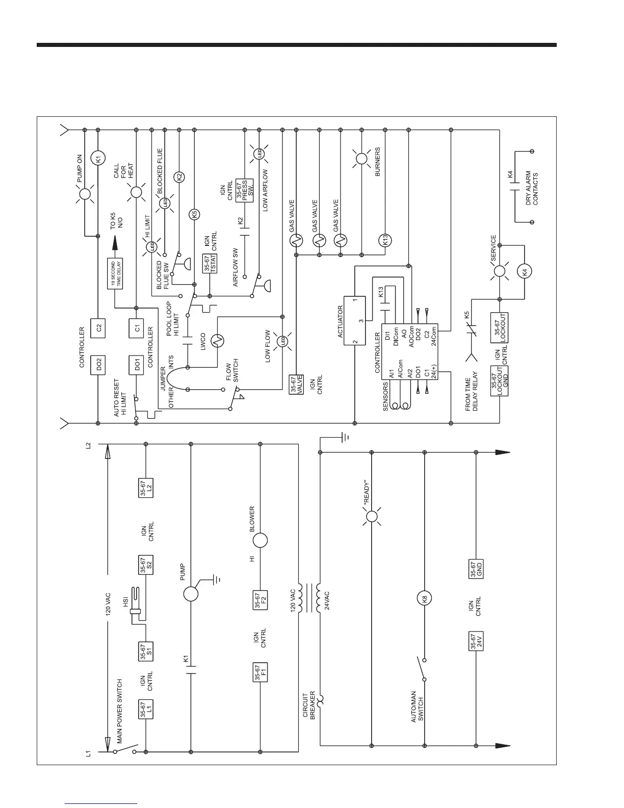
Figure 12. PowerMax 500 - 1000 Ladder Diagram.
SECTION 10.
Wiring Diagrams

Table of Contents