EasyManua.ls Logo

PowerMax PM - Page 31

PowerMax PM
36 pages
Print Icon
To Next Page IconTo Next Page
To Next Page IconTo Next Page
To Previous Page IconTo Previous Page
To Previous Page IconTo Previous Page
Loading...
PowerMax Pool Heater
Page 31
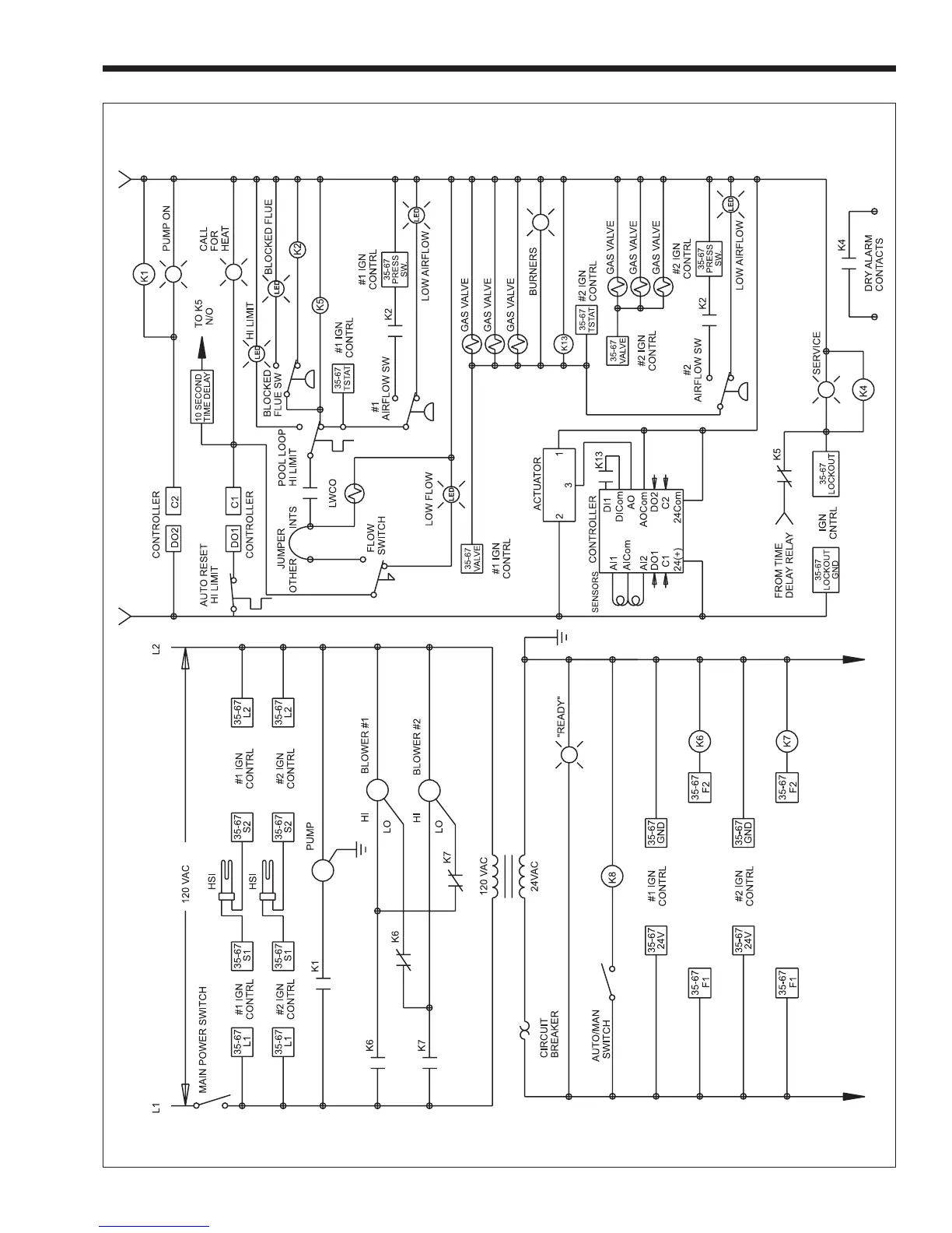
Figure 13. PowerMax 1250 - 2000 Ladder Diagram.

Table of Contents