EasyManua.ls Logo

PR electronics 5350 - Block Diagram; Bus Installation

PR electronics 5350
Print Icon
To Next Page IconTo Next Page
To Next Page IconTo Next Page
To Previous Page IconTo Previous Page
To Previous Page IconTo Previous Page
Loading...
30 31
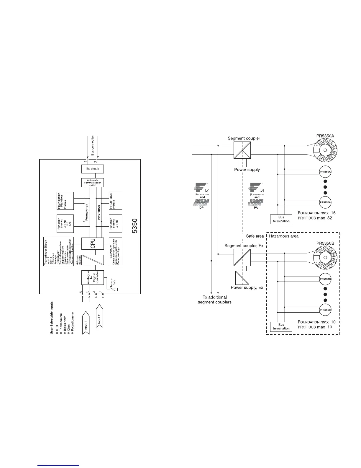
Block diagram: Bus installation:

Related product manuals