EasyManua.ls Logo

PR electronics 5350 - Installation Bus; Schéma de Principe

PR electronics 5350
Print Icon
To Next Page IconTo Next Page
To Next Page IconTo Next Page
To Previous Page IconTo Previous Page
To Previous Page IconTo Previous Page
Loading...
46 47
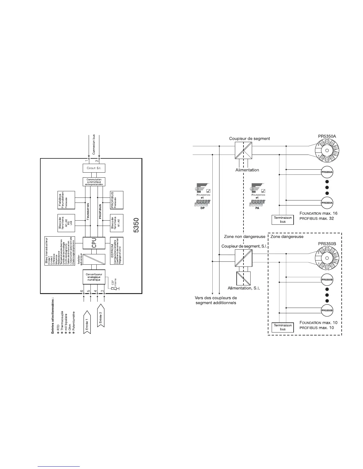
Schema de principe : Installation bus :

Related product manuals