EasyManua.ls Logo

Pro Spot SP-2 - Page 16

Pro Spot SP-2
20 pages
Print Icon
To Next Page IconTo Next Page
To Next Page IconTo Next Page
To Previous Page IconTo Previous Page
To Previous Page IconTo Previous Page
Loading...
35
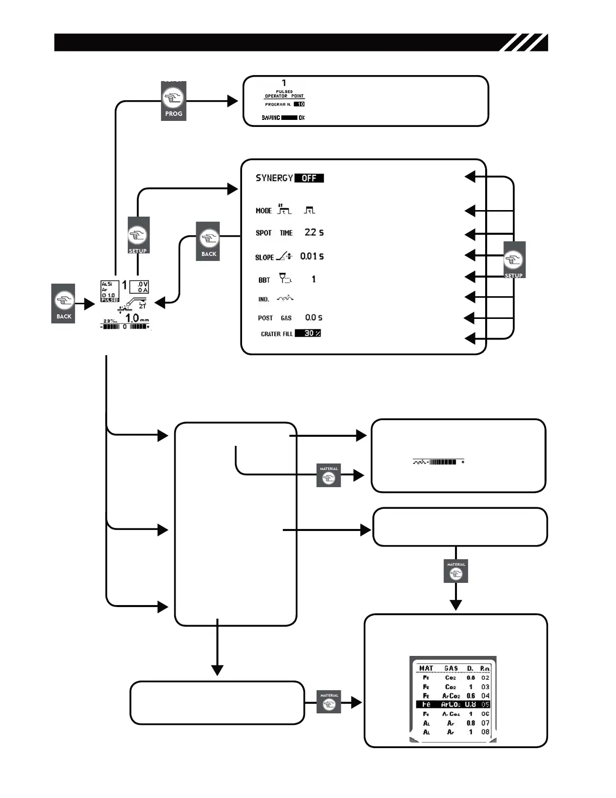
QUICK START CHART FOR MIG/MAG WELDING
MAG
• SYNERGY OFF
• SYNERGY ON
• PULSED
• Right -
Voltage ( VOLT)
• Left - Wire Speed (m/min)
• Electronic Inductance
SYNERGY OFF
SYNERGY ON
PULSED
MODE :2T/4T/Spot
Spot Time : (0-10 sec)
Slope : (0-1.50 sec)
BBT: (1-10)
IND.: (0-11)
POST GAS: (0 – 5 Sec.)
CRATER FILL (30-100%)
• Right - Thickness (mm)
• Left - Wire Balance (±40%)
• Right - Thickness (mm)
• SX - Wire Balance (±40%)
Preset Welding Programs
Save & Recall of operator’s Setups
16