EasyManua.ls Logo

Process Sensors MCT 300 - Page 37

Default Icon
75 pages
Print Icon
To Next Page IconTo Next Page
To Next Page IconTo Next Page
To Previous Page IconTo Previous Page
To Previous Page IconTo Previous Page
Loading...
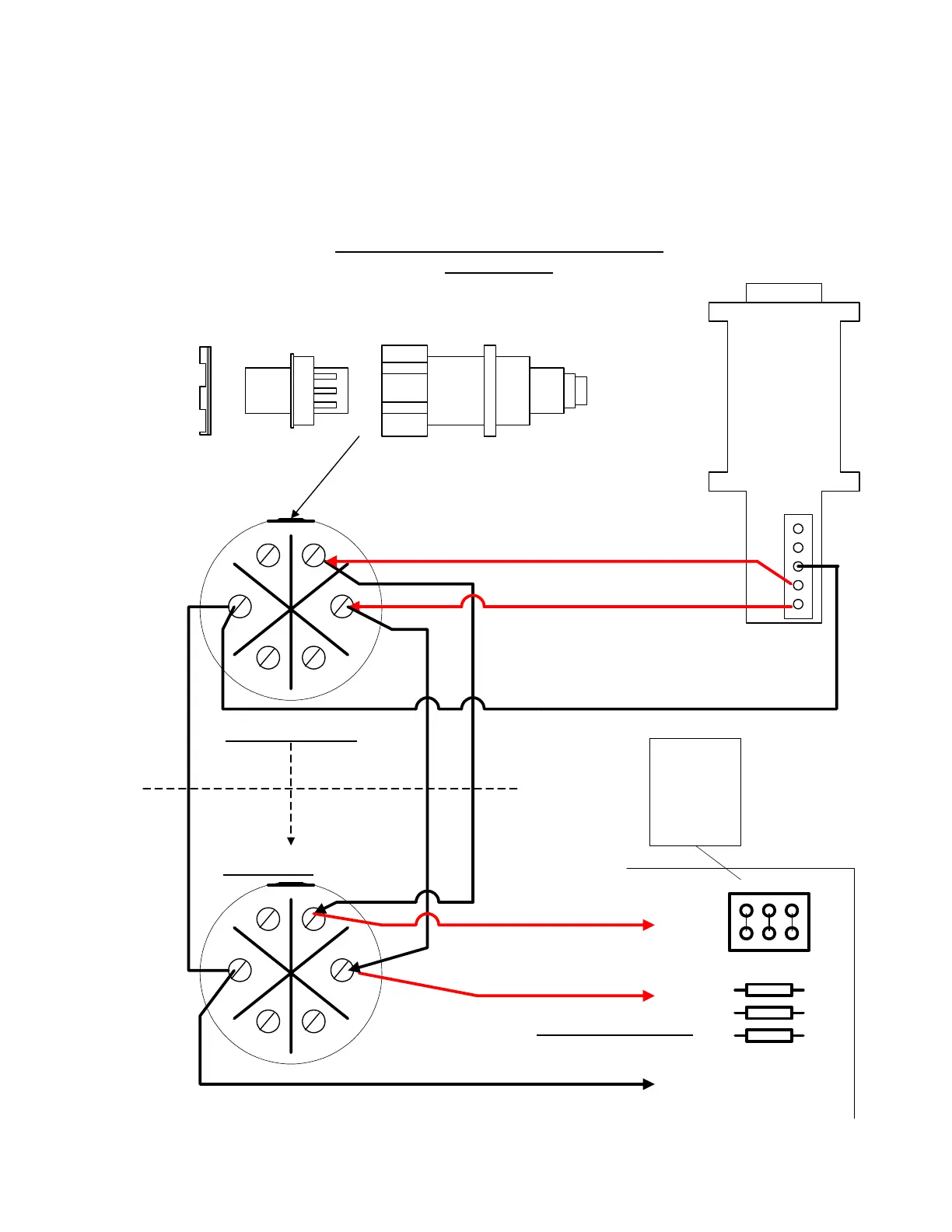
MCT300 RS485 QUICK START GUIDE
1
2
34
5
6
485 A (IN)
485 B (IN)
1
2
34
5
6
485 A (IN)
485 B (IN)
485 A (OUT)
485 B (OUT)
FIRST SENSOR
SENSOR n
TO LAST SENSOR
TD(A)
TD(B)
+12V
GND
RS485 CONVERTER
AT HOST PC
GND
GND
ALL 3 JUMPERS
MUST BE
PLACED ON
LAST SENSOR
IF HOST PC
DOES NOT
HAVE PULLUPS
OR
PULLDOWNS.
LINK2
LINK3
LINK4
RS485
Termination
Rear of Curcuit Board
EXAMPLE OF RS485 CONNECTION TO
MCT SERIES
34

Related product manuals