EasyManua.ls Logo

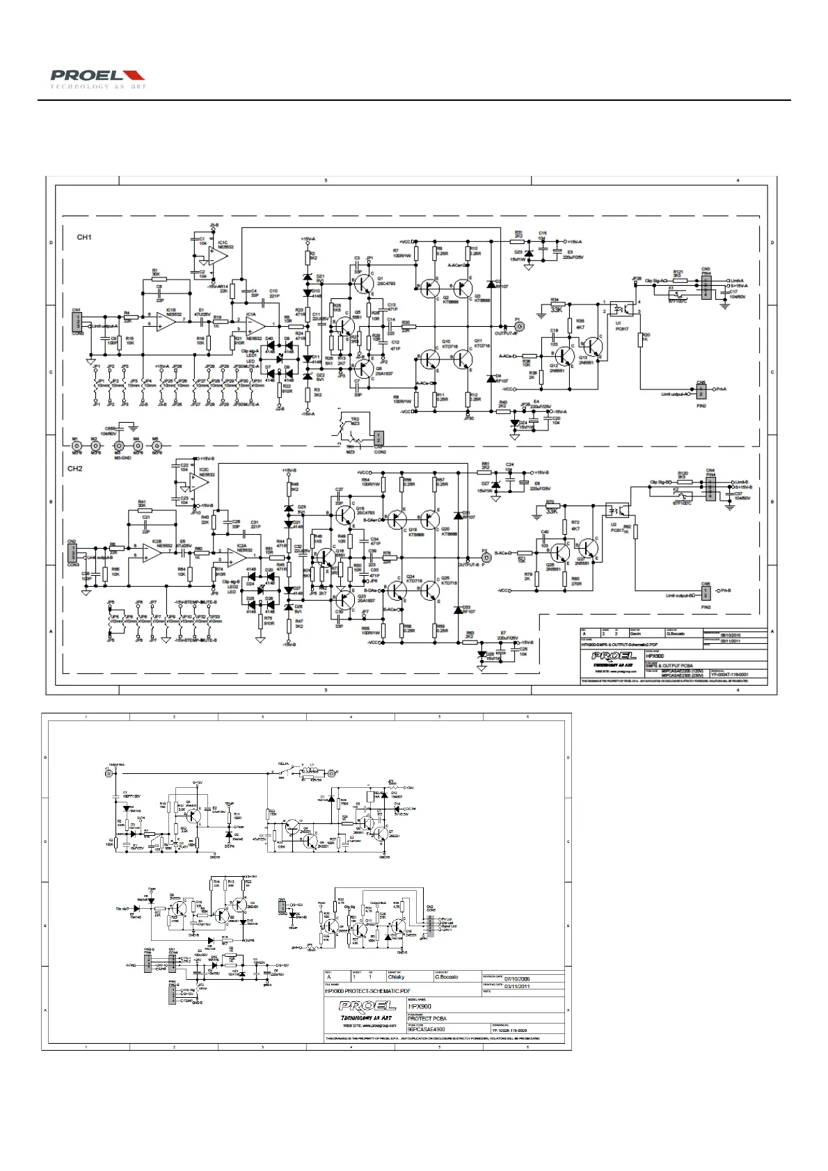
PROEL HPX900 - HPX900 Malfunction Analysis on Amplified Part; Circuit Diagram of Amplifier

PROEL HPX900
24 pages
Print Icon
To Next Page IconTo Next Page
To Next Page IconTo Next Page
To Previous Page IconTo Previous Page
To Previous Page IconTo Previous Page
Loading...
10
6HPX900MalfunctionAnalysisonAmplifiedPart
6.1CircuitDiagramofAmplifier

Related product manuals