EasyManua.ls Logo

PROEL HPX900 - HPX2400;2800 Malfunction Analysis on SMPS

PROEL HPX900
24 pages
Print Icon
To Next Page IconTo Next Page
To Next Page IconTo Next Page
To Previous Page IconTo Previous Page
To Previous Page IconTo Previous Page
Loading...
18
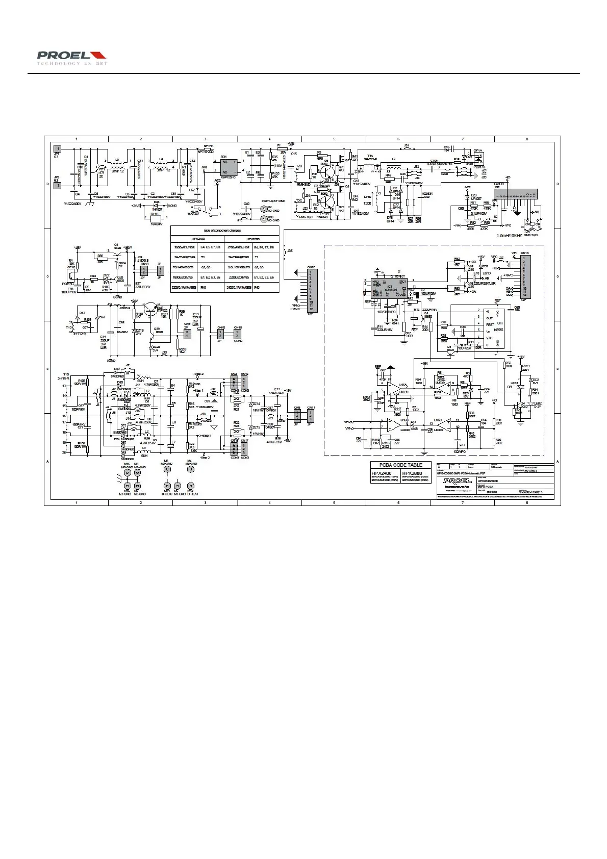
11HPX2400/2800MalfunctionAnalysisonSMPS
11.1CircuitDiagramofSMPS

Related product manuals