EasyManua.ls Logo

PROEL HPX900 - HPX2400;2800 Malfunction Analysis on Amplified Part

PROEL HPX900
24 pages
Print Icon
To Next Page IconTo Next Page
To Next Page IconTo Next Page
To Previous Page IconTo Previous Page
To Previous Page IconTo Previous Page
Loading...
20
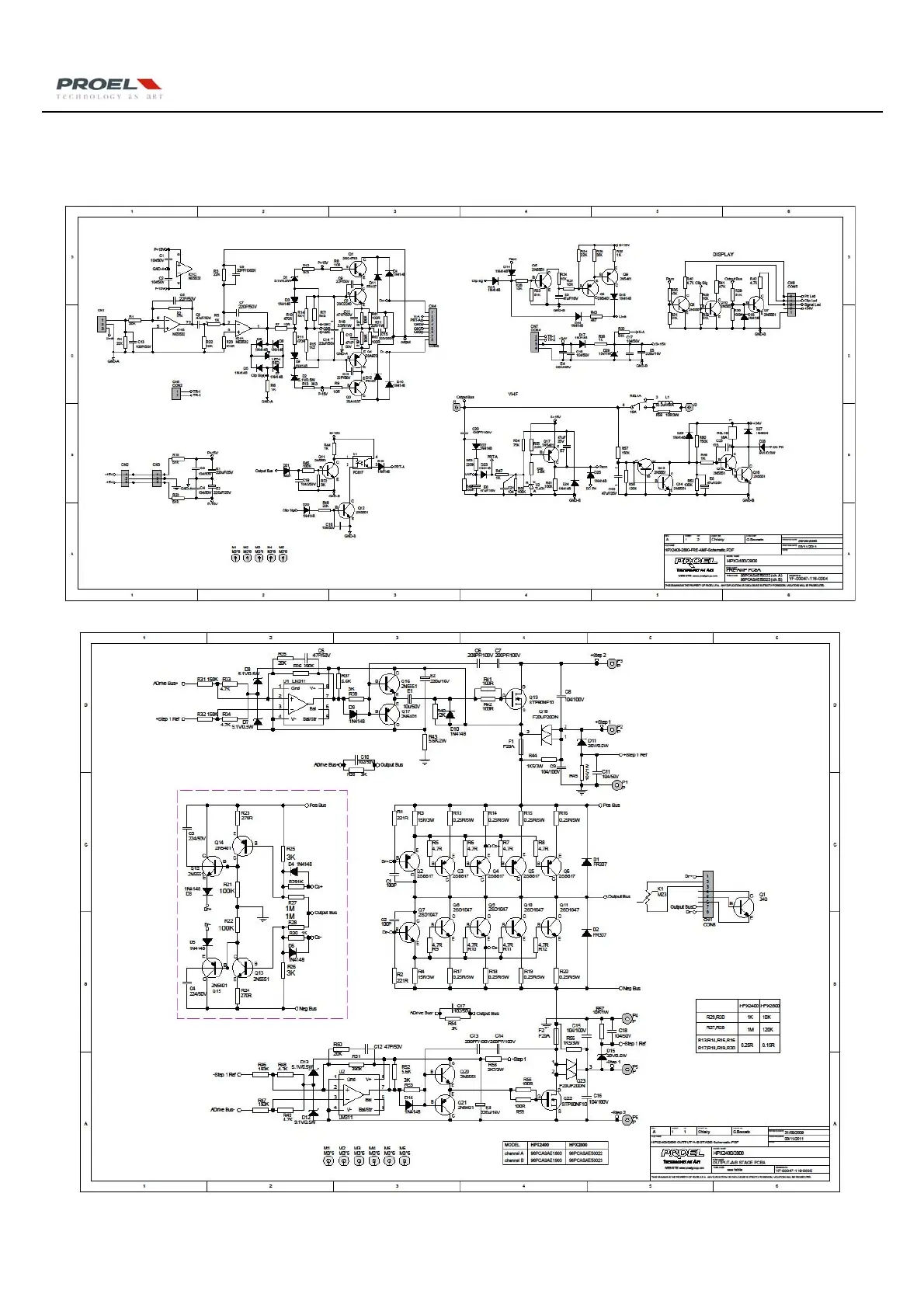
12HPX2400/2800MalfunctionAnalysisonAmplifiedPart
12.1CircuitDiagramofAmplifier

Related product manuals