EasyManua.ls Logo

ProForm 410 trainer - Page 25

ProForm 410 trainer
28 pages
Print Icon
To Next Page IconTo Next Page
To Next Page IconTo Next Page
To Previous Page IconTo Previous Page
To Previous Page IconTo Previous Page
Loading...
53
37
13
37
13
37
13
1
32
63
24
25
25
100
60
26
3
57
56
33
18
31
31
33
56
21
61
19
31
58
55
12
66
65
67
3
68
12
69
12
11
11
11
11
62
64
54
11
75
103
107
102
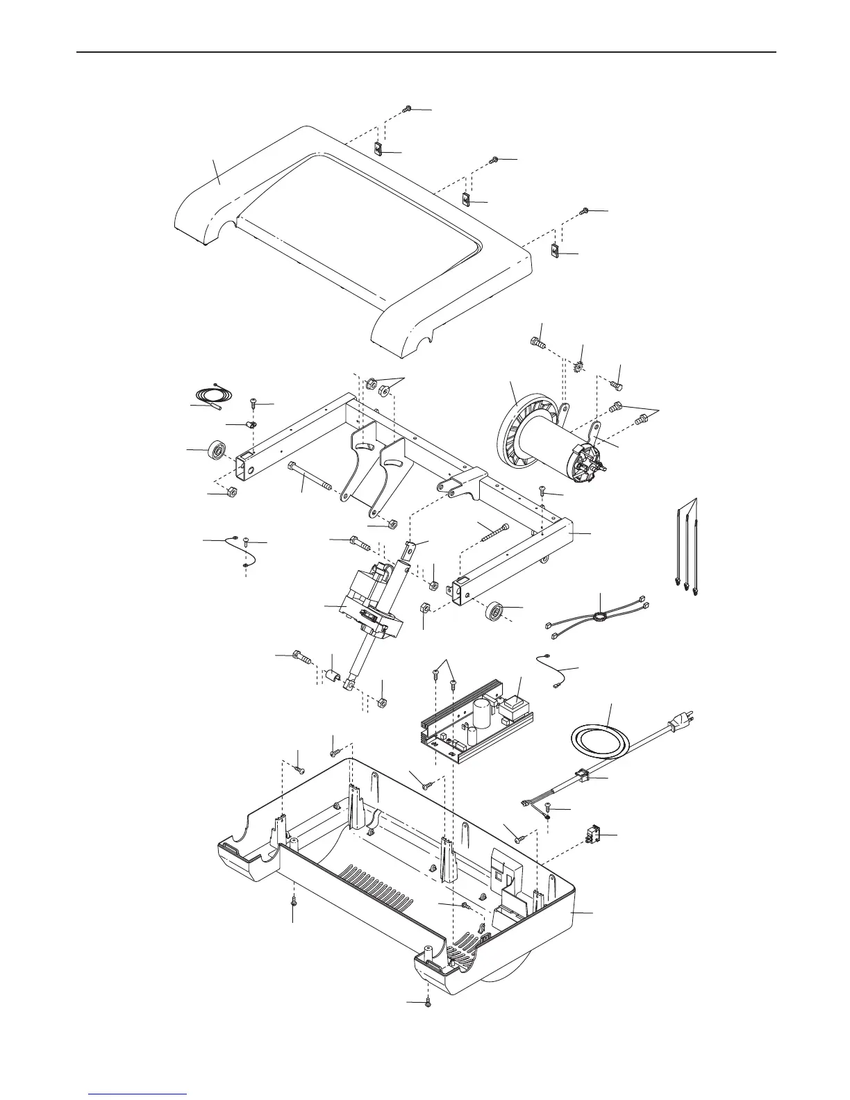
EXPLODED DRAWING B—Model No. PFTL39507.3 R
0408A
25

Related product manuals