EasyManua.ls Logo

ProForm 620 - Page 31

ProForm 620
32 pages
Print Icon
To Next Page IconTo Next Page
To Next Page IconTo Next Page
To Previous Page IconTo Previous Page
To Previous Page IconTo Previous Page
Loading...
89
12
87
35
102
100
24
101
12
92
90
91
97
33
98
98
12
12
16
12
12
12
12
12
12
12
12
1
1
88
106
88
88
93
97
95
27
5
5
27
88
16
34
14
114
99
96
94
31
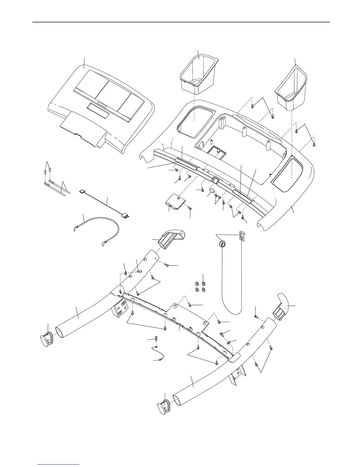
EXPLODED DRAWING D—Model No. 831.24755.1 R
1107A

Related product manuals