EasyManua.ls Logo

ProForm PFTL59707.2 - Exploded Drawing

ProForm PFTL59707.2
28 pages
Print Icon
To Next Page IconTo Next Page
To Next Page IconTo Next Page
To Previous Page IconTo Previous Page
To Previous Page IconTo Previous Page
Loading...
4
4
8
8
13
13
14
14
16
16
20
20
21
21
21
21
21
21
26
26
27
27
28
28
33
33
35
35
35
2
2
21
21
36
37
38
39
41
44
42
36
43
45
47
46
39
40
41
49
48
50
52
54
55
40
38
53
49
51
95
11
24
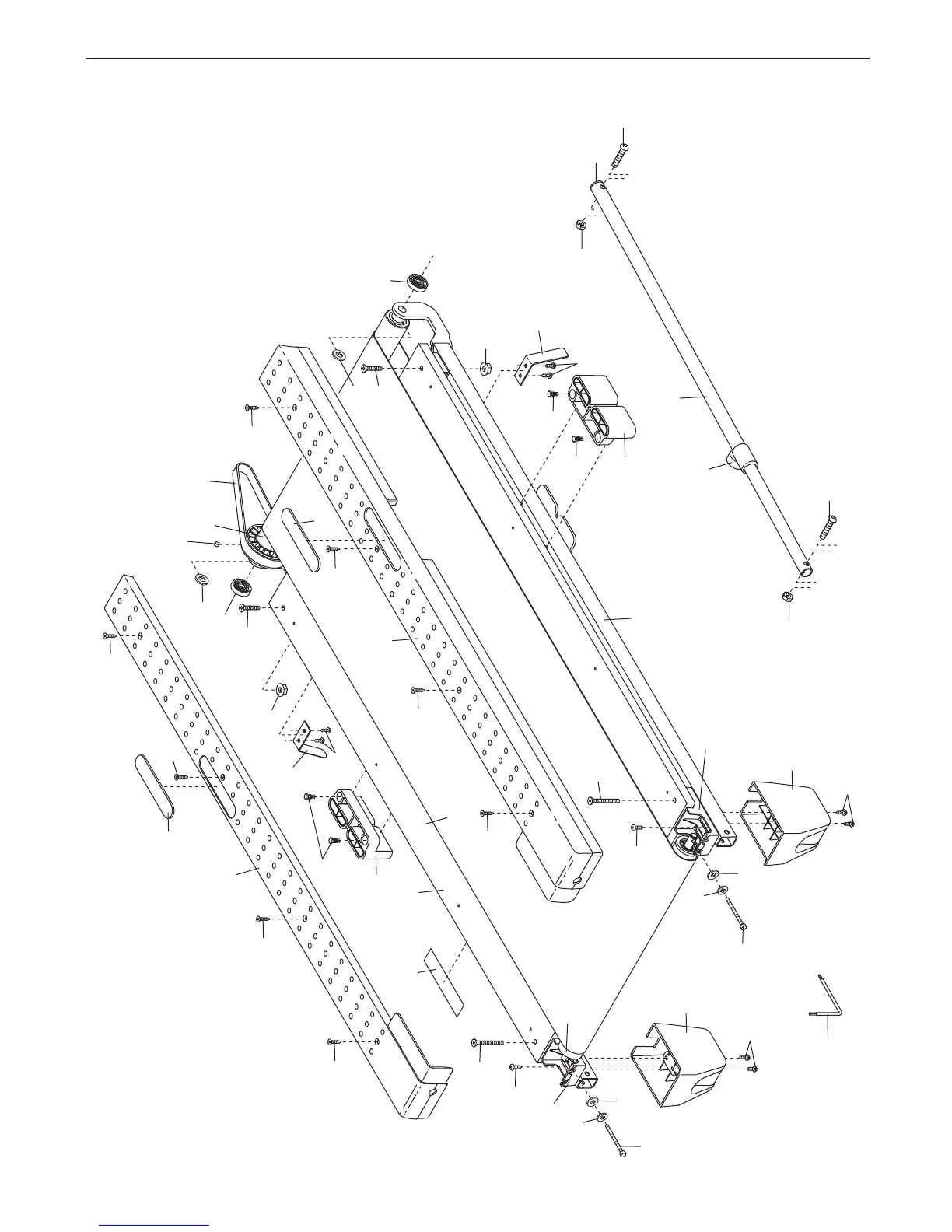
EXPLODED DRAWING A—Model No. PFTL59707.2 R
1007A

Related product manuals