EasyManua.ls Logo

ProForm T35 - Page 18

ProForm T35
19 pages
Print Icon
To Next Page IconTo Next Page
To Next Page IconTo Next Page
To Previous Page IconTo Previous Page
To Previous Page IconTo Previous Page
Loading...
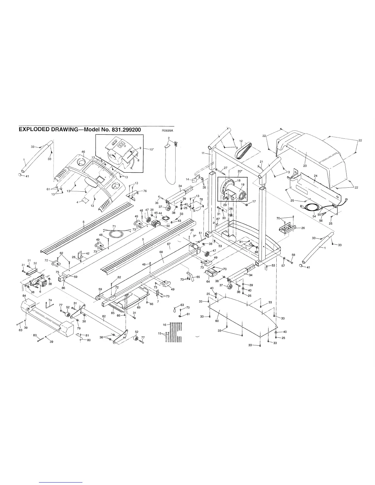
EXPLODED DRAWINGmModel No. 831.299200
i
33
46
5
71
49
48
49
62
59
85
82
62
72
69
52
R0699A
36
48 47 38
45 44
5
67
68
73
77
12
34
39
38 33
49
78
48
/
i
i
I
i
I
51
33
64
37
40
25
J'_.
23
24
58
57 _41
25
33
22

Related product manuals