EasyManua.ls Logo

Proline PAC1500 - Diagrama del Circuito

Proline PAC1500
Print Icon
To Next Page IconTo Next Page
To Next Page IconTo Next Page
To Previous Page IconTo Previous Page
To Previous Page IconTo Previous Page
Loading...
102
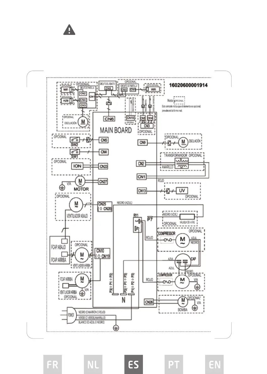
DIAGRAMA DEL CIRCUITO
Fusible
Tipo: 4T. Voltaje: 250 V. Corriente: 3,15 A
Tipo: 334. Voltaje: 250 V. Corriente: 3,15 A

Related product manuals