EasyManua.ls Logo

Proline PAC1500 - Diagrama da Cablagem

Proline PAC1500
Print Icon
To Next Page IconTo Next Page
To Next Page IconTo Next Page
To Previous Page IconTo Previous Page
To Previous Page IconTo Previous Page
Loading...
142
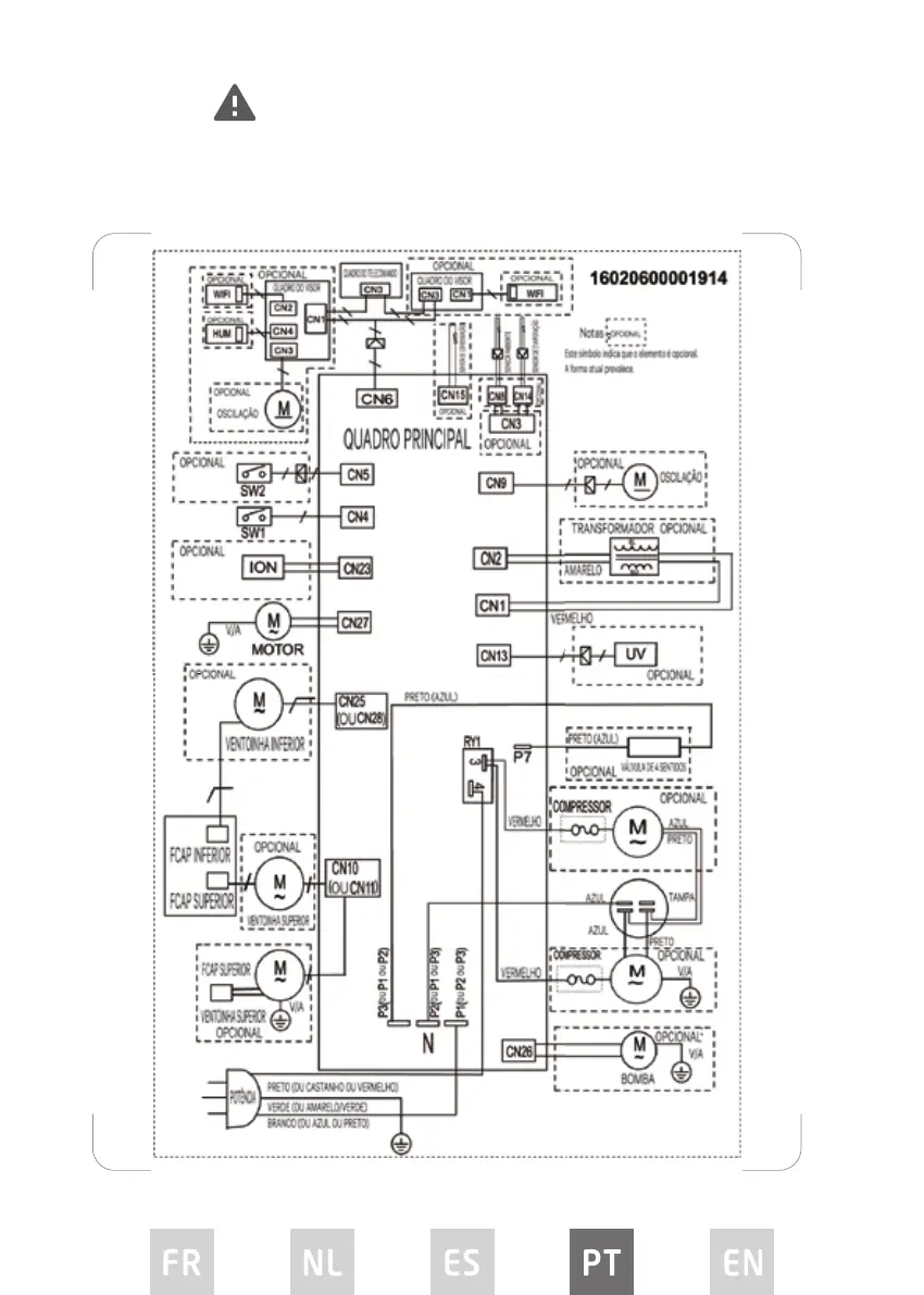
DIAGRAMA DA CABLAGEM
Fusível
Tipo: 4T, Voltagem: 250V, Corrente:3.15A
Tipo: 334, Voltagem: 250V, Corrente:3.15A

Related product manuals