EasyManua.ls Logo

Proline PAC1500 - Schéma de Câblage

Proline PAC1500
Print Icon
To Next Page IconTo Next Page
To Next Page IconTo Next Page
To Previous Page IconTo Previous Page
To Previous Page IconTo Previous Page
Loading...
20
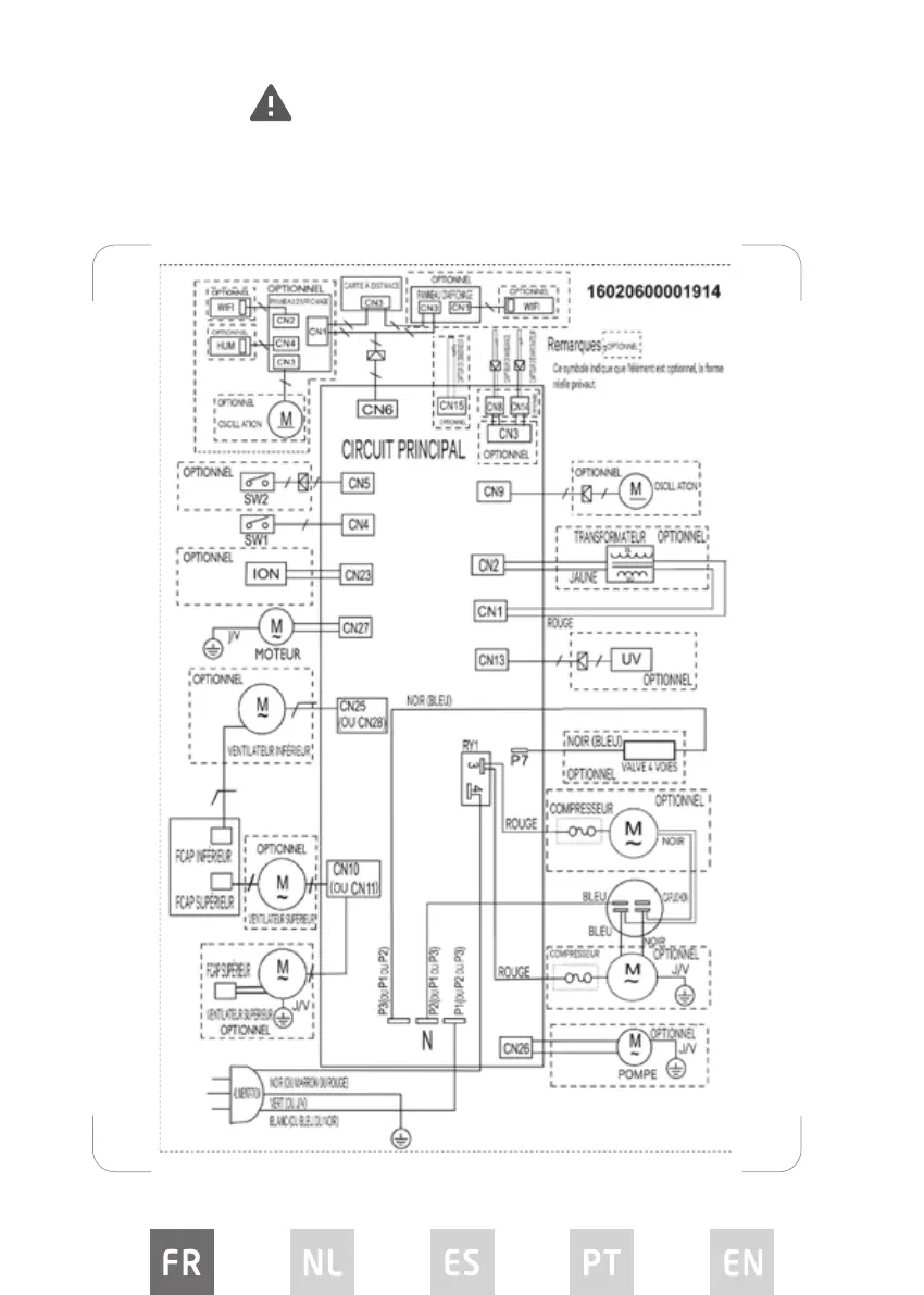
SCHÉMA DE CÂBLAGE
Fusible
Type:4T, Tension: 250V, Courant: 3,15A
Type:334, Tension: 250V, Courant: 3,15A

Related product manuals