EasyManua.ls Logo

PSG PSG-2000 - Electric Diagrams for Units Built from 2005; Wood-Only Furnaces

PSG PSG-2000
42 pages
Print Icon
To Next Page IconTo Next Page
To Next Page IconTo Next Page
To Previous Page IconTo Previous Page
To Previous Page IconTo Previous Page
Loading...
16
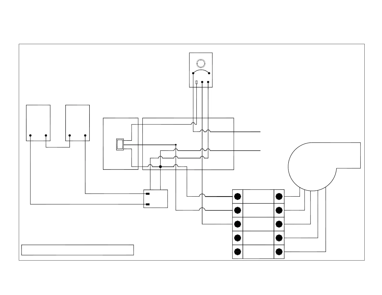
7. ELECTRIC DIAGRAMS FOR UNITS BUILT FROM 2005
WOOD-ONLY FURNACES
FAN LIMIT HONEYWELL L6064(MOTOR (G-10) 4 SPEED AND (G-12) 2 SPEED)
RED
ON 150°F
LIMIT 250°F
OFF 110°F
LIMIT
LOAD
FAN
LINE
HONEYWELL
L6064
HIGH LINELOW
BLOWER
L2
HIGH
MED HIGH
MED LOW
LOW
TERMINAL
120 V.A.C.
COMMON
L1
BLUE
BLACK TRANSFO
JUNCTION BOX
24 V.A.C.24 V.A.C.
THERMOSTAT SERVO-MOTOR
BLACK
WHITE
OFF
ON
1
2
24 V.A.C.
120 V.A.C.
TRANSFORMER
SUMMER SWITCH
3
RED
WHITE
BLACK
BLACK
BLUE
BLACK
WHITE
4 SPEED MOTOR
DIRECT-DRIVE OR
2 SPEED MOTOR
G-12 BELT-DRIVE
REVISION JULY 6TH 2006

Related product manuals