EasyManua.ls Logo

PSG PSG-2000 - 7- Electrical Diagrams

PSG PSG-2000
42 pages
Print Icon
To Next Page IconTo Next Page
To Next Page IconTo Next Page
To Previous Page IconTo Previous Page
To Previous Page IconTo Previous Page
Loading...
39
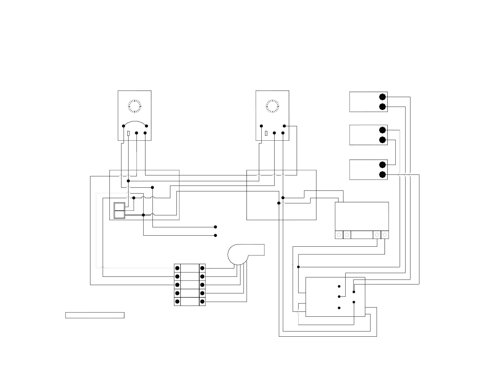
7- ELECTRICAL DIAGRAMS
WIRING DIAGRAM FOR PSG/UH – 2000 – 3000 - 4000
(The location of the wood limit is on the plenum and the location of the oil limit is on the panel towards exhaust pipe)
BROWN
NOTE:ALL WIRES ON OIL
LIMIT ARE TEW 105° 600V
14AWG TYPE
BLACK
BLACK
BLACK
BLACK
BURNER
RELAY
TTFF
WHITE
BLACK
RED
RED
RED
BLACK
BLUEBLUE
BLACK
WHITE
FAN
3
2
1
120 VOLT
60 HERTZ
WHITE
OIL
LIMIT 250°F
OFF 100°F
ON 100°F
LINE
FAN
LOW HIGH
LOAD
LINE
LIMIT
HONEYWELL
L6064
WOOD
WOOD
THERMOSTAT
OIL
THERMOSTAT
SERVO
MOTOR
HONEYWELL
L6064
FAN LIMIT
OFF 110°F
ON 150°F
LOW LINEHIGH
LINE LOAD
LIMIT 250°F
HIGH
4 SPEED
MOTOR
BLOWER
LOW
MED LOW
COMMUN
TERMINAL
MED HIGH
REVISION NOVEMBER 4TH 2008
WHITE
BLACK
RED
W
R
C
Y
G
INTERLOCK
WHITE
BLACK
BLACK
RED

Related product manuals