EasyManua.ls Logo

Pullmaster M12 Series - Page 124

Default Icon
251 pages
Print Icon
To Next Page IconTo Next Page
To Next Page IconTo Next Page
To Previous Page IconTo Previous Page
To Previous Page IconTo Previous Page
Loading...
PAGE 7
HC-M18-E
240 REV.030505
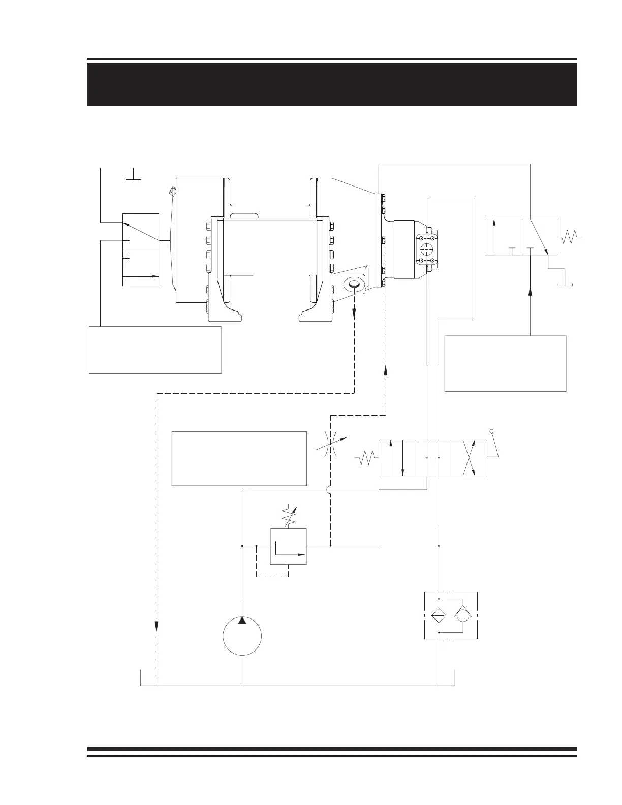
TYPICAL HYDRAULIC CIRCUIT
800 PSI [55 BAR]
2(US)GPM [8 L/MIN]
REQUIRED FOR MODELS
SUPPLIED WITH EXTERNAL
BRAKE RELEASE OPTION
CIRCULATION RETURN LINE
(MUST GO DIRECT TO RESERVOIR)
FILTER
HYDRAULIC
PUMP
RESERVOIR
CONTROL VALVE
(MOTOR SPOOL)
4-WAY SPRING
RETURN TO CENTER
PRESSURE
RELIEF VALVE
CIRCULATION SUPPLY LINE
M18: 5 (US) GPM [19 L/MIN]
H18: 7 (US) GPM [26 L/MIN]
(EXTERNAL CIRCULATION
MODELS ONLY)
400 PSI (28 BAR)
PRESSURE REQUIRED
FOR MODELS SUPPLIED
WITH FREESPOOL OPTION

Related product manuals