EasyManua.ls Logo

Pullmaster M18 Series - Page 60

Default Icon
251 pages
Print Icon
To Next Page IconTo Next Page
To Next Page IconTo Next Page
To Previous Page IconTo Previous Page
To Previous Page IconTo Previous Page
Loading...
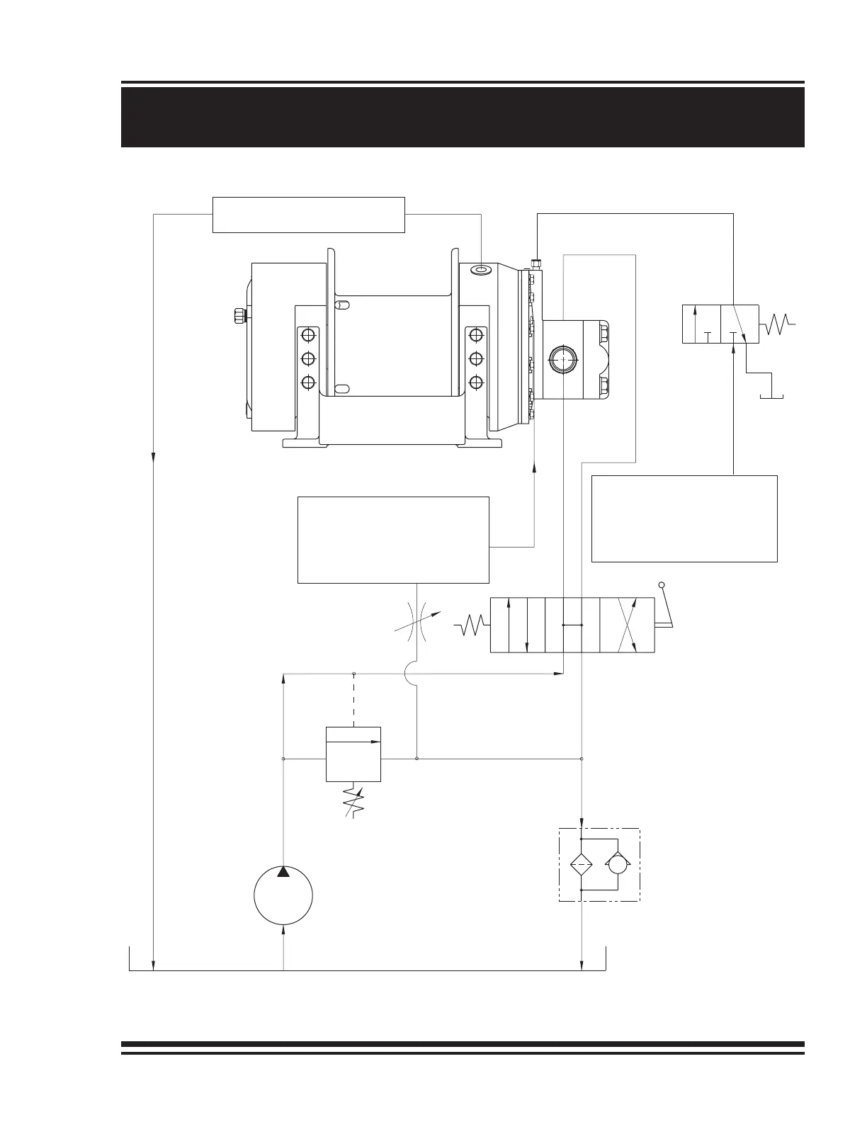
PAGE 7
HC-M8-B
247 REV.960301
TYPICAL HYDRAULIC CIRCUIT
800 PSI [55 BAR]
2(US)GPM [8 L/MIN]
REQUIRED FOR MODELS
SUPPLIED WITH EXTERNAL
BRAKE RELEASE OPTION
FILTER
HYDRAULIC
PUMP
RESERVOIR
CONTROL VALVE
(MOTOR SPOOL)
4-WAY SPRING
RETURN TO CENTER
PRESSURE
RELIEF VALVE
CIRCULATION SUPPLY LINE
M8: 3 (US) GPM [11 LPM]
H8: 4 (US) GPM [15 LPM]
(EXTERNAL CIRCULATION
MODELS ONLY)
CIRCULATION RETURN LINE
DIRECT TO RESERVOIR

Related product manuals