EasyManua.ls Logo

PURE One Maxi - Anzeige

PURE One Maxi
138 pages
Print Icon
To Next Page IconTo Next Page
To Next Page IconTo Next Page
To Previous Page IconTo Previous Page
To Previous Page IconTo Previous Page
Loading...
5
ES
DE
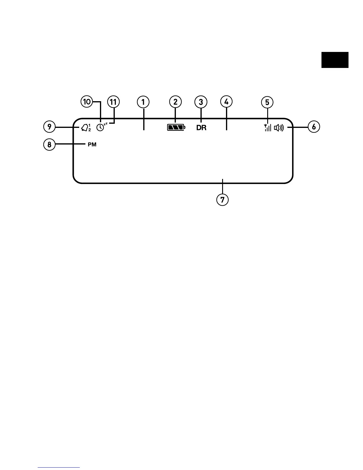
Anzeige
1. Zeigt die aktuelle Uhrzeit an.
2. Anzeige für ChargePAK oder Batterie.
3. Anzeige der Quelle
(DR: Digitalradio, UKW: UKW-Radio, AUX: AUX-Eingang).
4. Sendername.
5. Signalstärke.
6. Lautstärkeanzeige.
7. Anzeige Datum, Lauftext, Einstellungen und Senderinformationen
(siehe Seite 16).
8. AM/PM-Anzeige.
9. Anzeige Weckeraktivierung (siehe Seite 11).
10. Anzeige Sleep- und Küchen-Timer (siehe Seite 12).
11. Schlummerfunktionsanzeige (Seite 12).
7:00
SWR 3
PopUp

Table of Contents

Related product manuals