EasyManua.ls Logo

PURE One Maxi - Display

PURE One Maxi
138 pages
Print Icon
To Next Page IconTo Next Page
To Next Page IconTo Next Page
To Previous Page IconTo Previous Page
To Previous Page IconTo Previous Page
Loading...
5
ES
IT
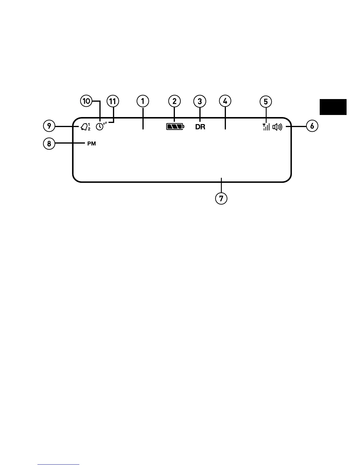
Display
1. Visualizza l'ora attuale.
2. Indicatore ChargePAK o batteria.
3. Indicatore della sorgente
(DR= radio digitale, FM= radio FM, AUX= ingresso ausiliario).
4. Nome della stazione.
5. Intensità del segnale.
6. Indicatore del volume.
7. Data, testo a scorrimento, impostazioni e informazioni sulle stazioni (vedere a
pagina 16).
8. Indicatore AM/PM.
9. Indicatore impostazione sveglia (vedere a pagina 11).
10. Indicatore timer di autospegnimento e da cucina (vedere a pagina 12).
11. Indicatore ripetizione (vedere a pagina 12).
7:00
RDS
TOP 40

Table of Contents

Related product manuals