EasyManua.ls Logo

PURE One Maxi - Page 53

PURE One Maxi
138 pages
Print Icon
To Next Page IconTo Next Page
To Next Page IconTo Next Page
To Previous Page IconTo Previous Page
To Previous Page IconTo Previous Page
Loading...
5
FR
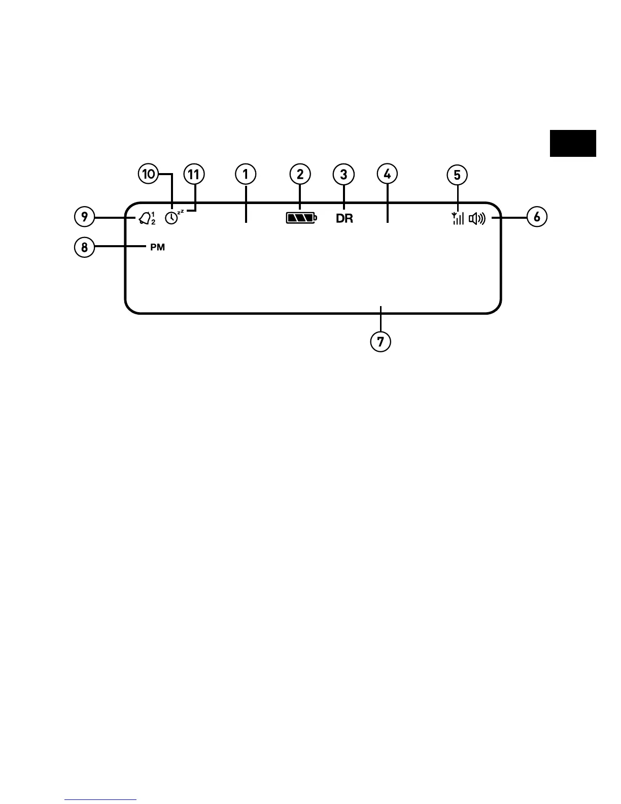
Écran
1. Affiche l'heure actuelle.
2. Témoin de charge des piles ou de la batterie ChargePAK.
3. Indicateur de la source
(DR = radio numérique, FM = radio FM, AUX = entrée auxiliaire).
4. Nom de station.
5. Puissance du signal.
6. Indicateur du volume.
7. Affiche la date, du texte défilant, les réglages et des informations sur les
stations (reportez-vous à la page 16).
8. Indicateur matin/après-midi (AM/PM).
9. Indicateur d'alarme active (reportez-vous à la page 11).
10. Indicateur de la minuterie de veille prolongée et de la minuterie
(reportez-vous à la page 12).
11. Indicateur de répétition (voir page 12).
7:00
France Inter
LE JEU

Table of Contents

Related product manuals