EasyManua.ls Logo

PURE One Maxi - Page 97

PURE One Maxi
138 pages
Print Icon
To Next Page IconTo Next Page
To Next Page IconTo Next Page
To Previous Page IconTo Previous Page
To Previous Page IconTo Previous Page
Loading...
5
NL
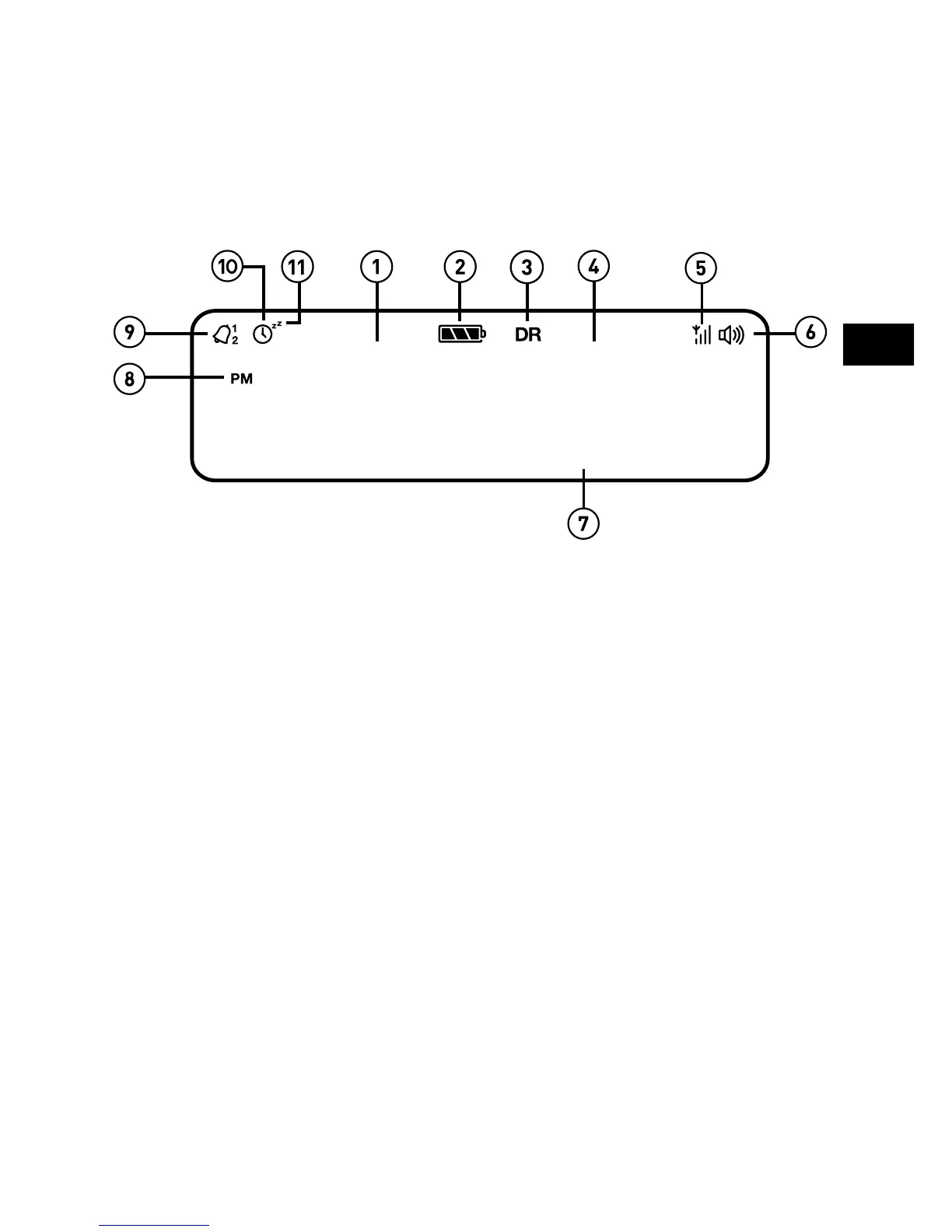
Scherm
1. Geeft de huidige tijd aan.
2. ChargePAK- of batterij-indicator.
3. Bronindicator (DR= digitale radio, FM= FM-radio, AUX = aux-ingang).
4. Stationsnaam.
5. Signaalsterkte.
6. Volume-indicator.
7. Geeft de datum, schuivende tekst, instellingen en stationsinformatie weer
(zie pagina 16).
8. Ochtend/middag-indicator.
9. Indicator van wekker (indien ingesteld, zie pagina 11).
10. Indicator van slaaptimer en keukenwekker (indien ingesteld, zie pagina 12).
11. Sluimerindicator (zie pagina 12).
7:00
NPO R1
Nieuws

Table of Contents

Related product manuals