EasyManua.ls Logo

QSC RMX 1850HD

QSC RMX 1850HD
26 pages
To Next Page IconTo Next Page
To Next Page IconTo Next Page
To Previous Page IconTo Previous Page
To Previous Page IconTo Previous Page
Loading...
6
Panel frontal
1. Interruptor de encendido
2. Indicador LED de
POWER
(encendido)
3. Rejillas de ventilación
4. Control de ganancia (Canal 1)
5. Control de ganancia (Canal 2)
6. Indicadores LED de
CLIP
y
SIGNAL
(dos canales)
Panneau avant
1. Commande marche/arrêt
2. DEL
POWER
(alimentation)
3. Bouches de ventilation
4. Commande de gain (Canal 1)
5. Commande de gain (Canal 2)
6. DELs
CLIP
(écrêtage) et
SIGNAL
(tous les deux canaux)
Vorderseite
1. Netzschalter
2. LED-Anzeige
POWER
(Betrieb)
3. Abluftöffnungen
4. Pegelsteller (Kanal 1)
5. Pegelsteller (Kanal 2)
6. LED-Anzeige für
CLIP
und
SIGNAL
(beide Kanäle)
INTRODUCTION
EINFÜ HRUNG
INTRODUCCIÓ NAVANT-PROPOS
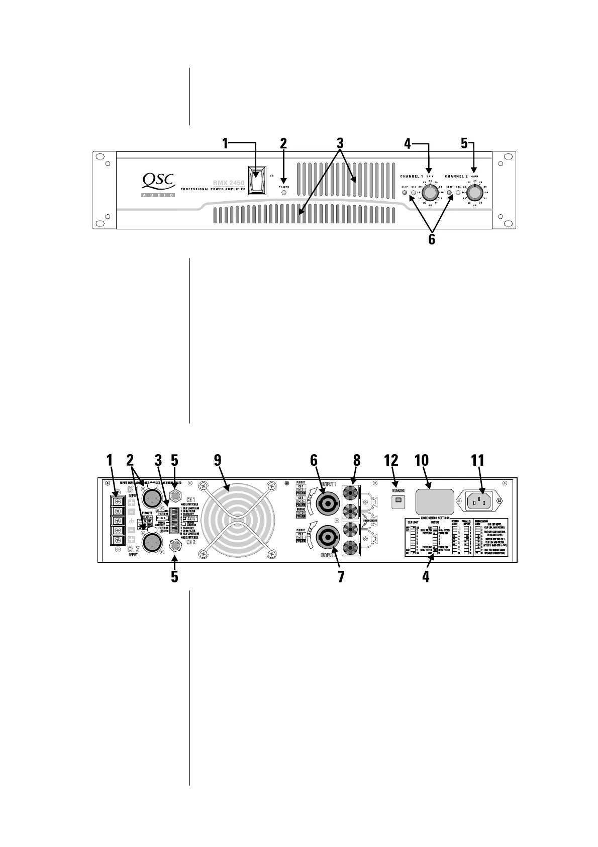
Front panel
1. Power switch
2.
POWER
indicator LED
3. Cooling vents
4. Gain control (Channel 1)
5. Gain control (Channel 2)
6.
CLIP
and
SIGNAL
indicator
LEDs, both channels
7
INTRODUCTION
EINFÜ HRUNG
INTRODUCCIÓ NAVANT-PROPOS
Rear panel
1. Barrier strip input
2. XLR inputs, Channels 1 and 2
3. Configuration switch
4. Configuration switch chart
5. TRS inputs, Channels 1 and 2
6. Speakon output, Channel 1
plus Channel 2
7. Speakon output, Channel 2
8. Binding post outputs, Channels
1 and 2
9. Fan
10. Serial number label
11. IEC connector for AC power
cable
12. Circuit breaker
Panneau arrière
1. Entrées sur bornes à vis
2. Entrées XLR (Canaux 1 et 2)
3. Sélecteur de configuration
4. Diagramme au sélecteur de
configuration
5. Entrées TRS (Canaux 1 et 2)
6. Sortie Speakon (Canal 1 plus
Canal 2)
7. Sortie Speakon (Canal 2)
8. Sorties sur bornes à écrou
(Canaux 1 et 2)
9. Ventilateur
10. Étiquette du numéro en série
11. Connecteur IEC pour cordon
dalimentation secteur
12. Disjoncteur
Rückseite
1. Eingangsschraubklemmen
2. XLR-Eingänge (Kanäle 1 und 2)
3. Konfigurationsschalter
4. Erläuterung des
Konfigurationsschalters
5. Stereoklinken (Kanäle 1 und 2)
6. Speakon-Ausgang (Kanal 1 mit
Kanal 2)
7. Speakon-Ausgang (Kanal 2)
8. Ausgangsklemmer (Kanäle 1
und 2)
9. Lüfter
10. Seriennummer
11. IEC Kaltgeräteanschluß
12. Sicherungsautomat
Panel posterior
1. Entradas de barrera
2. Entradas XLR (Canales 1 y 2)
3. Selector de configuración
4. Esquema del selector de
configuración
5. Entradas TRS (Canales 1 y 2)
6. Salida Speakon (Canal 1 con
Canal 2)
7. Salida Speakon (Canal 2)
8. Salidas postes de amarre
9. Ventilador
10. Etiqueta del número de serie
11. Conector IEC para cable de
alimentación
12. Disyuntor

Other manuals for QSC RMX 1850HD

Related product manuals