EasyManua.ls Logo

Quadra-Fire QFI30FB - IPI Battery Tray;Battery Installation; Control Module Operation; Programming the RC300 to the Control Module

Quadra-Fire QFI30FB
46 pages
Print Icon
To Next Page IconTo Next Page
To Next Page IconTo Next Page
To Previous Page IconTo Previous Page
To Previous Page IconTo Previous Page
Loading...
27Quadra-Fire • QFI30FB, QFI35FB • 2221-900 Rev. K • 3/11
C. IPI Battery Tray/Battery Installation
The IntelliFire Plus
TM
system has a battery backup option.
Batteries should only be placed in the battery pack when
120VAC is not available. See Section 2.H.
D. Control Module Operation
See Section 2.I for control module operation instructions.
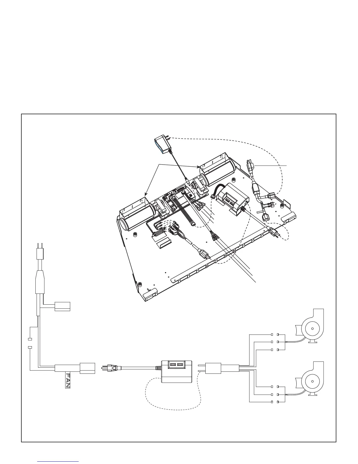
Figure 10.2 Fan Wiring Diagram
Note: if any of the original wire as
supplied with the appliance must
be replaced, it must be replaced
with type 105 °C rated wire.
BLOWERS
GROUND (TO VALVE BRACKET)
GREEN (TO VALVE)
ORANGE (TO VALVE)
BLACK
RED
BROWN
PLUG TO
EXISTING
OUTLET
BLOWERS
BLOWER
RECEPTACLE
BLK
GRN
BLK
BLK
GRN
BLK
WHT
GRN
BLK
BLK
GRN
WHT
BLK
BLK
PLUG INTO 120V
EXISTING OUTLET
DC REGULATOR
RECEPTACLE
Note: use zip ties to restrain
the loose wires underneath the
appliance and keep them away
from the blower wheel (fan blades).
E. Programming the RC300 to the Control
Module
CAUTION! Risk of burns! DO NOT program the remote
control to the control module when replace is hot.
Refer to the RC300 Installation Instructions included
in appliance manual bag to program the RC300 to the
control module.

Table of Contents

Other manuals for Quadra-Fire QFI30FB

Related product manuals