EasyManua.ls Logo

Quectel BG95 Series - Page 40

Quectel BG95 Series
84 pages
Print Icon
To Next Page IconTo Next Page
To Next Page IconTo Next Page
To Previous Page IconTo Previous Page
To Previous Page IconTo Previous Page
Loading...
LPWA Module Series
BG95 Hardware Design
BG95_Hardware_Design 39 / 80
VBA T
2s
Resetting
Module
Status
Running
RESET_N
V
IL
0.45V
Restart
3.8s
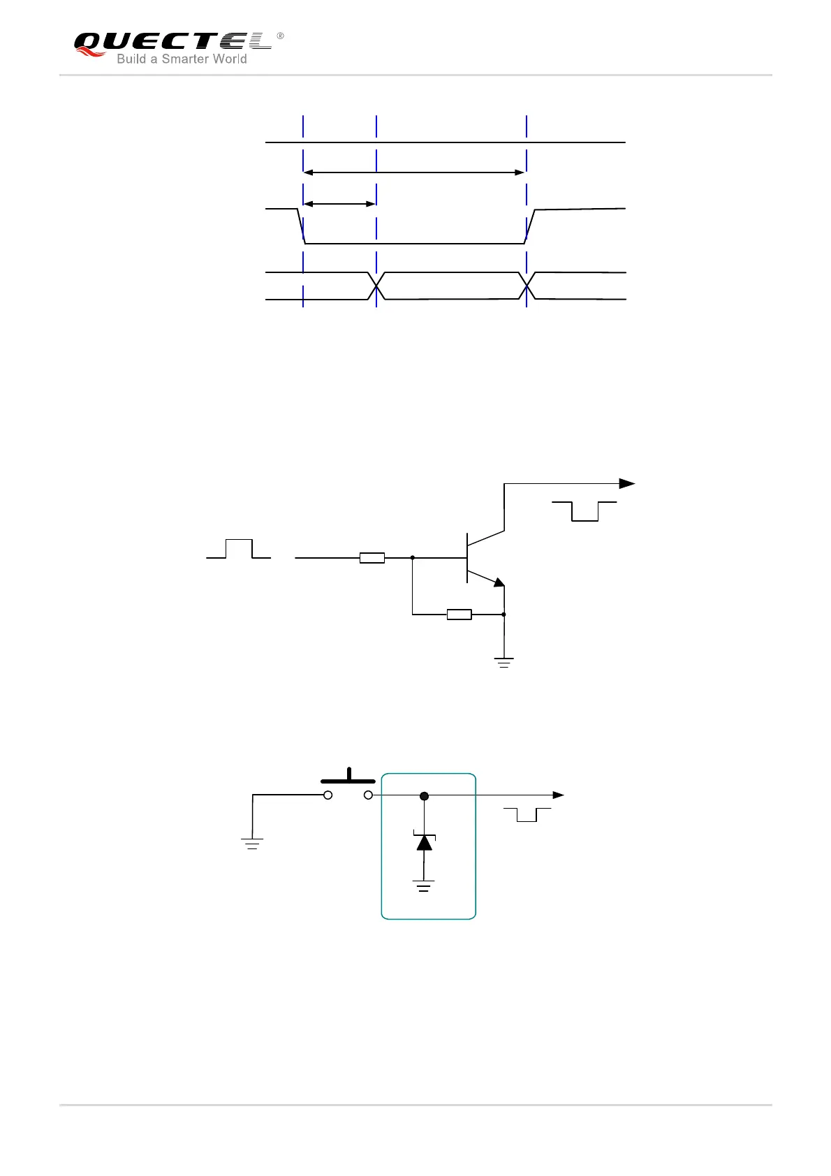
Figure 10: Timing of Reset Module
The recommended circuit is similar to the PWRKEY control circuit. An open drain/collector driver or button
can be used to control the RESET_N pin.
Reset pulse
RESET_N
4.7K
47K
2s~3.8s
Figure 11: Reference Circuit of RESET_N by Using Driving Circuit
RESET_N
S2
Close to S2
TVS
Figure 12: Reference Circuit of RESET_N by Using Button

Table of Contents

Other manuals for Quectel BG95 Series

Related product manuals