EasyManua.ls Logo

Quectel BG95 Series - Page 42

Quectel BG95 Series
84 pages
Print Icon
To Next Page IconTo Next Page
To Next Page IconTo Next Page
To Previous Page IconTo Previous Page
To Previous Page IconTo Previous Page
Loading...
LPWA Module Series
BG95 Hardware Design
BG95_Hardware_Design 41 / 80
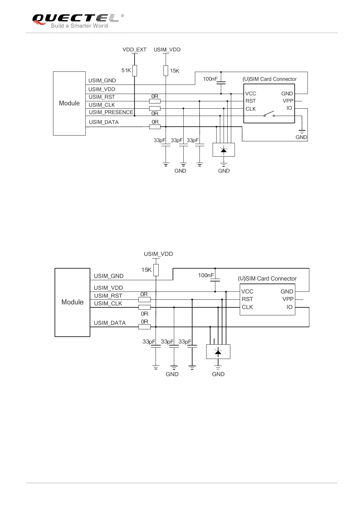
Figure 13: Reference Circuit of (U)SIM Interface with an 8-Pin (U)SIM Card Connector
If (U)SIM card detection function is not needed, please keep USIM_PRESENCE* unconnected. A
reference circuit for (U)SIM interface with a 6-pin (U)SIM card connector is illustrated in the following
figure.
Figure 14: Reference Circuit of (U)SIM Interface with a 6-Pin (U)SIM Card Connector
In order to enhance the reliability and availability of the (U)SIM card in applications, please follow the
criteria below in (U)SIM circuit design:
Keep the placement of (U)SIM card connector as close to the module as possible. Keep the trace
length as less than 200mm as possible.
Keep (U)SIM card signals away from RF and VBAT traces.

Table of Contents

Other manuals for Quectel BG95 Series

Related product manuals