EasyManua.ls Logo

QuickJack 3500SLX - Page 92

QuickJack 3500SLX
144 pages
Print Icon
To Next Page IconTo Next Page
To Next Page IconTo Next Page
To Previous Page IconTo Previous Page
To Previous Page IconTo Previous Page
Loading...
Cric de voiture portable QuickJack 20 P/N 5900263 Rév. B6 Septembre 2023
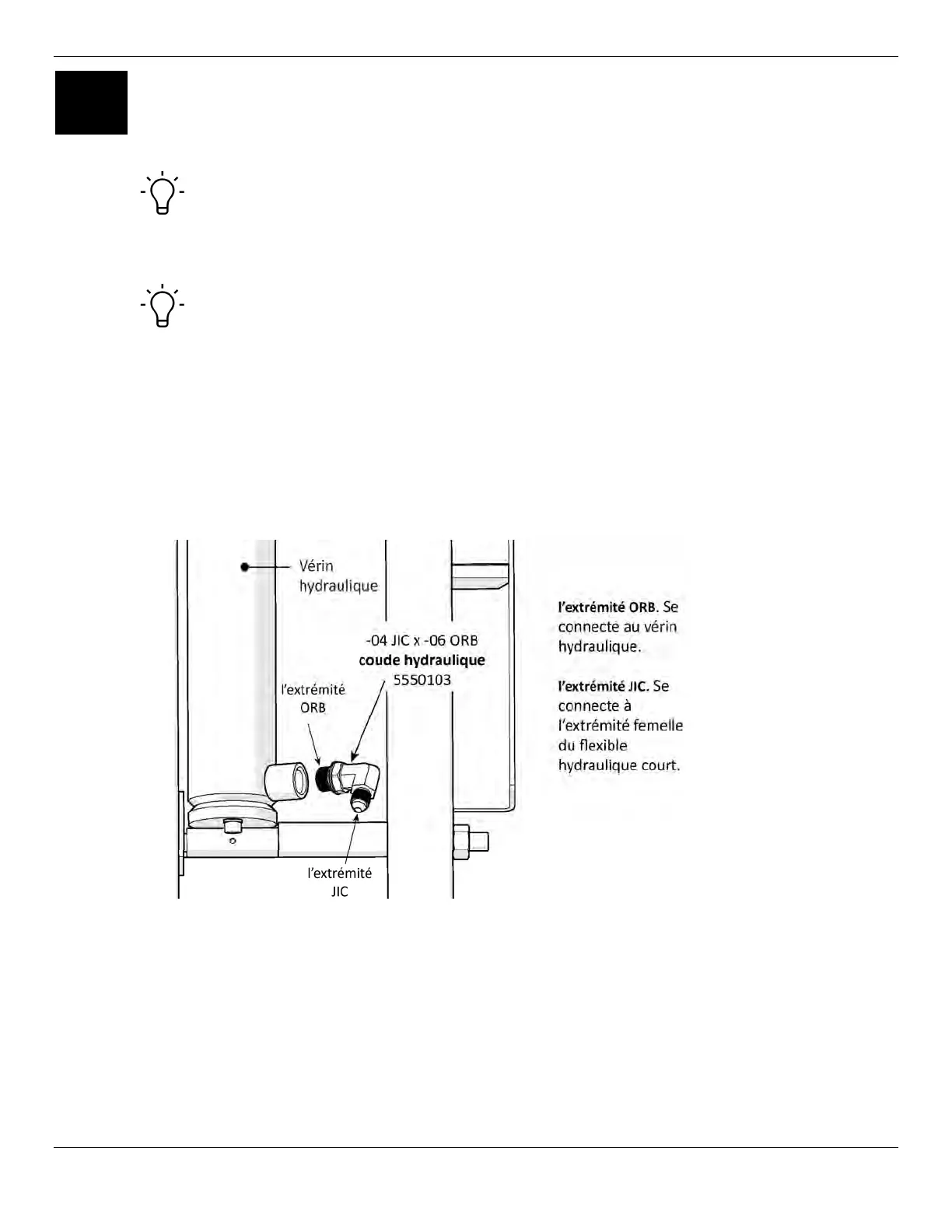
Installation des raccords coudés ORB et fixation des tuyaux
courts
Vous devez installer un raccord coudé hydraulique ORB (5550103) sur chaque cylindre hydraulique.
Astuce Les raccords à bossage de joint torique (ORB) bénéficient de 1 à 2 gouttes de liquide
hydraulique appliquées sur le joint torique avant d'installer le raccord dans le cylindre hydraulique.
Le liquide sert à lubrifier le joint torique
et aide à prévenir les dommages lors du serrage du raccord.
Astuce Le fait de soulever le cadre QuickJack et de placer un bloc de levage en dessous ou de
soulever manuellement la plate-forme en position de verrouillage peut fournir un peu d'espace
supplémentaire, ce qui facilite la fixation du raccord coudé hydraulique.
Pour installer les raccords coudés hydrauliques :
1. Retirez le bouchon d'expédition du port du vérin hydraulique à l'aide d'une clé hexagonale de 6 mm.
2. Retirez le raccord coudé hydraulique ORB du sac de pièces et appliquez quelques gouttes d'huile
hydraulique sur le joint torique, puis fixez l'extrémité ORB dans le port du cylindre hydraulique.
Important : Ne ne pas utiliser de produit d'étanchéité pour filetage à chaque extrémité du raccord
coudé hydraulique.
La figure ci-dessus détaille les connexions hydrauliques à réaliser au bas du vérin hydraulique. Tous les
composants ne sont pas affichés.
3. Positionnez l'extrémité du raccord fileté comme indiqué ci-dessus ; accessible mais pas signalé.
Vous souhaitez que l'extrémité du raccord fileté soit accessible mais pas pointée vers le haut, car le tuyau
hydraulique court s'inclinerait alors vers le haut et pourrait heurter le dessous d'un véhicule.
4. Tournez l'écrou jusqu'à ce qu'il soit complètement serré. L'extrémité de l'ORB peut être serrée à la
main, puis utilisez une clé pour un demi-tour supplémentaire pour vous assurer qu'elle est bien ajustée.
N'utilisez pas de produit d'étanchéité pour filetage sur les
filetages des raccords ORB.
Configuration
8
Liste de
contrôle

Related product manuals