EasyManua.ls Logo

Radcal Dynalyzer III - Page 7

Radcal Dynalyzer III
27 pages
Print Icon
To Next Page IconTo Next Page
To Next Page IconTo Next Page
To Previous Page IconTo Previous Page
To Previous Page IconTo Previous Page
Loading...
Dynalyzer – Digital Display/Printer OPERATION MANUAL
4
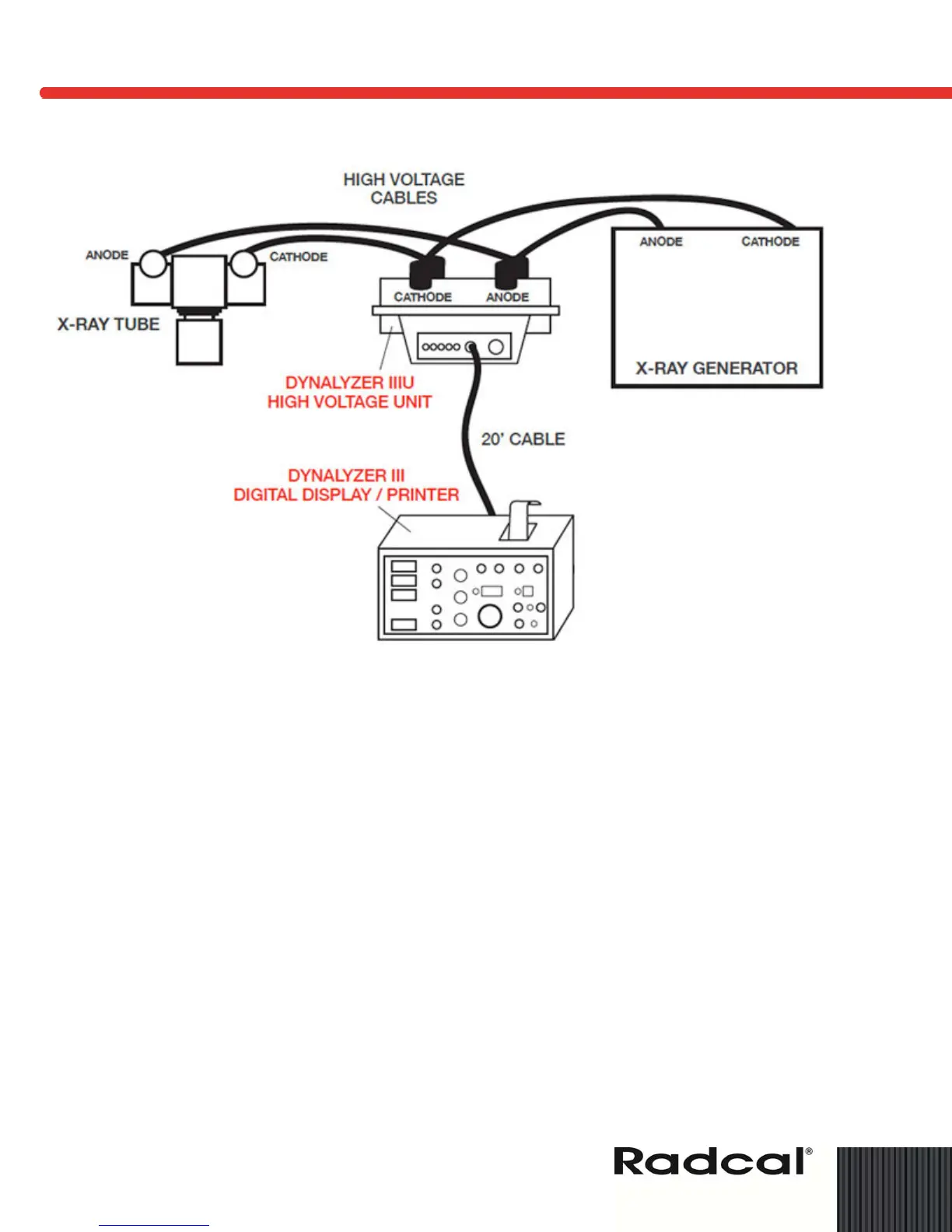
Figure 1: Typical Dynalyzer III System