EasyManua.ls Logo

R&M LOADMATE LM 10 - Wiring Diagrams

R&M LOADMATE LM 10
65 pages
Print Icon
To Next Page IconTo Next Page
To Next Page IconTo Next Page
To Previous Page IconTo Previous Page
To Previous Page IconTo Previous Page
Loading...
LM01 I&M MANUAL/EN/11.30.2010
38/65
This document and the information contained herein, is the exclusive property of R&M MATERIALS HANDLING, INC. and represents a non-public, confidential and proprietary trade secret
that may not be reproduced, disclosed to third parties, altered or otherwise emplo
yed in any manner whatsoever without the express written consent of R&M MATERIALS HANDLING, INC.
Copyright © (2010) R&M MATERIALS HANDLING, INC. All rights reserved.
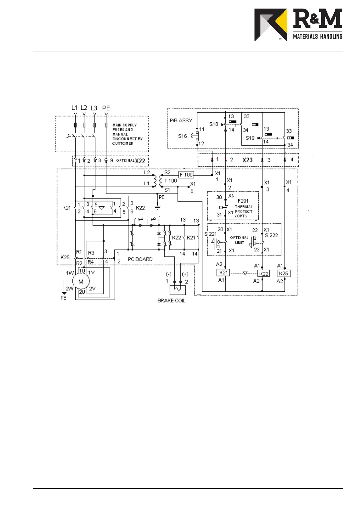
5.12 Wiring Diagrams
5.12.1 Wiring Diagram – Three Phase – Two-speed Hoist
3 PHASE POWER SUPPLY CONNECTIONS PLUG X23 – P/ B CONTROL
L1 HOIST SUPPLY – PHASE A 1 - CONTROL VOLTAGE SUPPLY
L2 HOIST SUPPLY – PHASE B 2 - HOIST UP
L3 HOIST SUPPLY – PHASE C 3 - HOIST DOWN
( - ) HOIST MOTOR BRAKE SUPPLY – VDC 4 - HOIST FAST
( + ) HOIST MOTOR BRAKE SUPPLY - VDC 9 - GROUND
1V MOTOR SUPPLY – SLOW SPEED
2V MOTOR SUPPLY – FAST SPEED
1W MOTOR SUPPLY – SLOW SPEED
2W MOTOR SUPPLY – FAST SPEED
1U2U MOTOR SUPPLY – SLOW AND FAST SPEEDS
TERMINAL STRIP X1 NUMBERS K21 - HOIST “UP” CONTACTOR
K22 - HOIST “DOWN” CONTACTOR
30 - MOTOR THERMAL PROTECTION K25 - HOIST FAST” CONTACTOR
31 - MOTOR THERMAL PROTECTION F100 - CONTROL CIRCUIT FUSE
22 - UPPER LIMIT SWITCH
23 - LOWER LIMIT SWITCH
1 - CONTROL VOLTAGE SUPPLY
2 - HOIST UP
3 - HOIST DOWN
4 - HOIST FAST
9 - GROUND

Table of Contents

Related product manuals