EasyManua.ls Logo

R&M LOADMATE LM 10 - Wiring Diagram - Single Phase - Power Circuit

R&M LOADMATE LM 10
65 pages
Print Icon
To Next Page IconTo Next Page
To Next Page IconTo Next Page
To Previous Page IconTo Previous Page
To Previous Page IconTo Previous Page
Loading...
LM01 I&M MANUAL/EN/11.30.2010
40/65
This document and the information contained herein, is the exclusive property of R&M MATERIALS HANDLING, INC. and represents a non-public, confidential and proprietary trade secret
that may not be reproduced, disclosed to third parties, altered or otherwise emplo
yed in any manner whatsoever without the express written consent of R&M MATERIALS HANDLING, INC.
Copyright © (2010) R&M MATERIALS HANDLING, INC. All rights reserved.
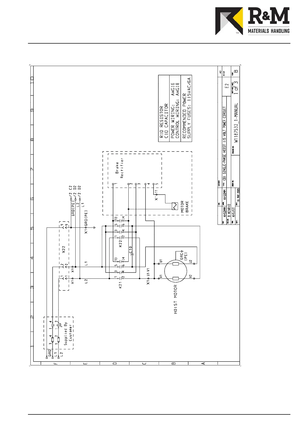
5.12.3 Wiring Diagram – Single Phase – Power Circuit

Table of Contents

Related product manuals