EasyManua.ls Logo

Rangemaster Classic 60 Ceramic - Cooker Electrical Circuit Diagram

Rangemaster Classic 60 Ceramic
28 pages
Print Icon
To Next Page IconTo Next Page
To Next Page IconTo Next Page
To Previous Page IconTo Previous Page
To Previous Page IconTo Previous Page
Loading...
23
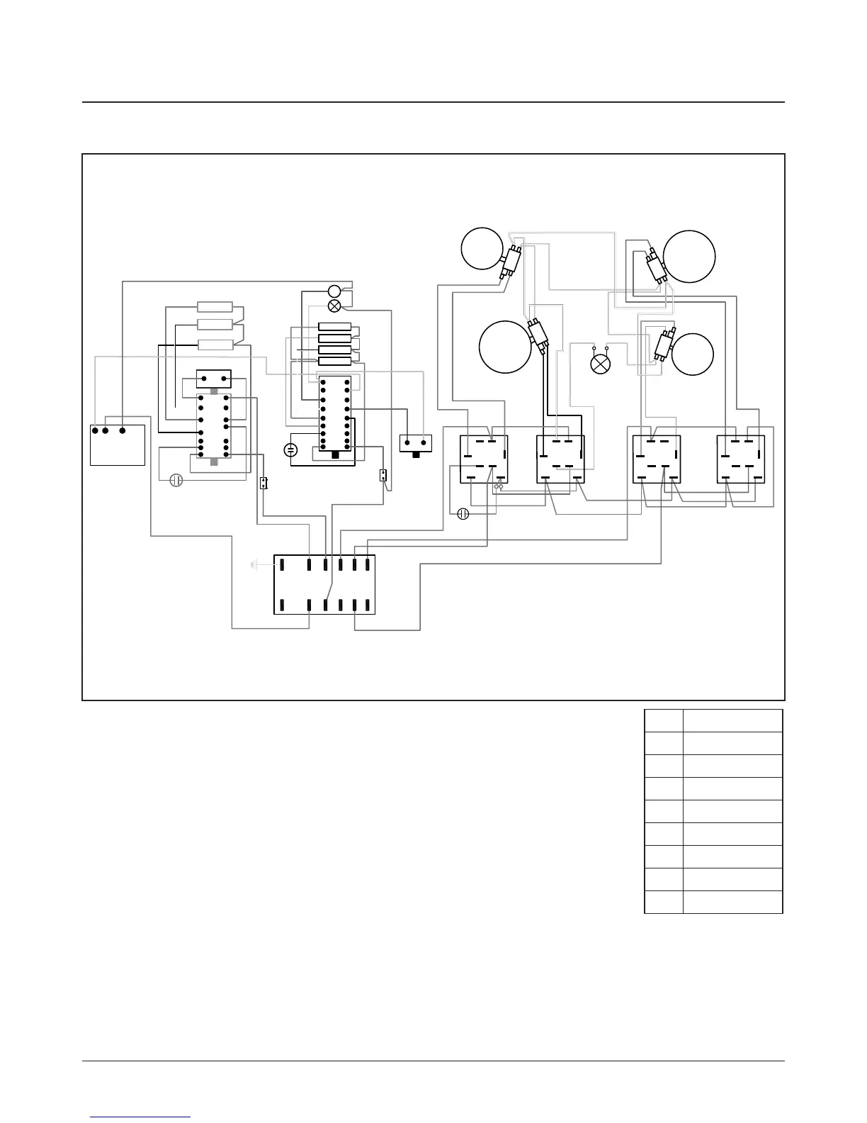
8. Circuit Diagrams
Circuit Diagram:
DocNo.090-0002 - Circuit diagrams - 90 ceramic GENERIC
b
r
r
gr
gr
gr
grgr
grw
w
w
w
w
gr
w
w
r
r
r
r
r
r
p
p
p
p
p
p
br
br
b
b
b
b
b
b
b
br
b
bb
b
br
br
brbrbr
br
br
b
b
b
b
b
b
b
b
b
r
r
w
w
br
br
br
br
br
br/w
br/w
bk
bk
gr
gr
r
p
p
p
w
w
gr
gr
gr
gr
r
r
v
v
b
b
b
b
b
b
b
b
br
br
br
brbk
bk
bk
bk
br
br
br
br
br
b
b
b
b
b
4
P1
8a 8/L 7/N
4
8
H
4
S
2
H
4
S
2
H
4
S
2
H
4
S
2
7
6
5
4
3
2
1 P1
P2
P3
P4
P5
P6
P7
P8
3
1
2
5
P3
P1
P2
S2 S1
Pilot
Operation lamp
Thermostat
MO Safety limiter
To Safety
Limiter
P1
P2
2
4
P1
S2 S1
Pilot
P1
P2
2
4
P1
S2 S1
Pilot
P1 P1 P1
P2
2
4
S2 S1
Pilot P2
2
RL FL FR RR
Top Oven Main Oven
Lower
Digital Timer
Top Oven
Thermostat Lamp
Main Oven
Thermostat
Lamp
Thermostat
Oven Lamp
Grill
Upper
Upper
Grill
Fan Heating
Lower
230V, 1800W
FL
Hot Surface
Indicator Lamp
230V, 1200W
RL
230V, 1800W
RR
230V, 1200W
FR
F.M
Code Colour
b Blue
br Brown
bk Black
gr Grey
p Pink
r Red
v Violet
w White

Related product manuals