EasyManua.ls Logo

Rangemaster Excel 110 G5 Induction - Circuit Diagram: Oven

Rangemaster Excel 110 G5 Induction
40 pages
Print Icon
To Next Page IconTo Next Page
To Next Page IconTo Next Page
To Previous Page IconTo Previous Page
To Previous Page IconTo Previous Page
Loading...
30
Key
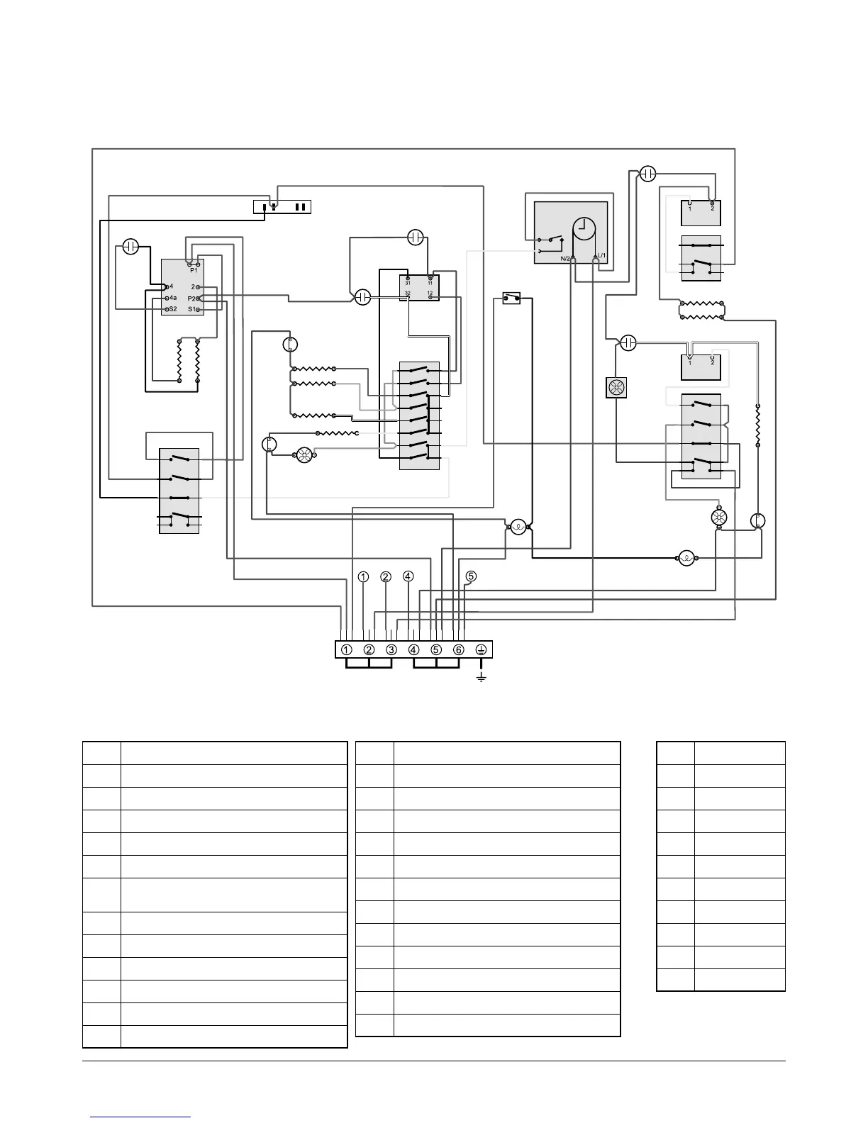
The connections shown in the circuit diagram are for single-phase. The ratings are for 230 V 50 Hz.
6
P6
5 P5
4
P4
7 P7
8 P8
2
P2
1 P1
3 P3
2
3
4
1
P3
P2
P1
P4
P033458
2
3
4
1
P3
P2
P1
P4
P033458
P038434
2
1
P2
P1
P095199
E
L N
br
br
bk
b
w
o
br
bk
b
br
bk
bb
b
bk
b
br
br
br
br
br
bb b b
bk
b
b
bbb
bk
v
v
v
w
b
y
o
y
br
br
y
y
y
y
v
v
r
r
br
br
br
b
r
r
b
bk
w
v
r
v
r
w
r
gr
w
bk
o
o
y
br
br
bk
b
v
b
b
br
br
br
o
w
y
b
b
b
r
o
b
b
b
br
w
b
bk
gr
w
v
b
r
r
r
y
y
br
r
r
b
w
b
b
br
br
b
br
A2
A1
B1
A3
B2a
B4
B2
B5
B6
B7
F2
D2
I
F3
F4
K
J
I
H
F1
D1
K
K
C
B3
J
J
K
G
K
D3
Code Description
A1 Grill thermostat
A2 Grill elements
A3 Grill front switch
B1 Multi-function oven thermostat
B2 Multi-function oven control
B2a
Multi--function oven thermostat front
switch
B3 Multi-function oven base element
B4 Multi-function oven top element (outer pr.)
B5 Multi-function oven top element (inner pr.)
B6 Multi-function oven fan element
B7 Multi-function oven fan
C Clock
Code Description
D1 Slow cook oven thermostat
D2 Slow cook oven switch
D3 Slow cook oven elements
F1 Right-hand oven thermostat
F2 Right-hand oven switch block
F3 Right-hand fan oven element
F4 Right-hand fan oven fan
G Cooling fan
H Oven light switch
I Oven light
J Thermal cut-out
K Neon
Code Colour
b Blue
br Brown
bl Black
or Orange
r Red
v Violet
w White
y Yellow
g/y Green/yellow
gr Grey
Circuit Diagram: Oven

Related product manuals