EasyManua.ls Logo

Rangemaster Professional+ 100 - Professional+ Oven Circuit Diagram

Rangemaster Professional+ 100
36 pages
Print Icon
To Next Page IconTo Next Page
To Next Page IconTo Next Page
To Previous Page IconTo Previous Page
To Previous Page IconTo Previous Page
Loading...
31
Legend
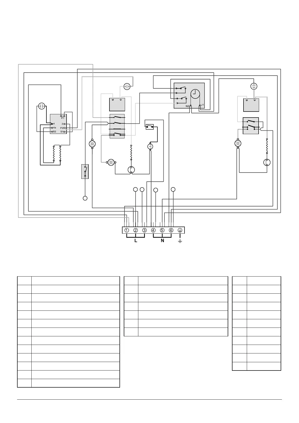
The connections shown in the circuit diagram are for single-phase. The ratings are for 230 V 50 Hz.
Professional+ Oven Circuit Diagram
P095199
1
2
P2
P1
E
1
2
1
2
P033458
2
3
4
1
P3
P2
P1
P4
b
b
b
or
or
bk
v
v
bk
bk
r
r
r
br
br
r
y
y
w
w
w
b
b
y
br
br
br
b
b
b
b
y
y
y
or
or
w
w
b
bk
bk
br
y
y
y
b
b
b
b b
br
br
br
br
br
br
b
br
b
b
gy
gy
A1
A2
B1
C
D1
D2
D3
D4
F1
F2
G
H
B2
B3
B4
G
G
H
A3
J
Induction hob connections
1 2
4
5
I
4
Code Description
A1 Grill controller
A2 Right-hand grill element
A3 Left-hand grill element
B1 Left-hand fan oven thermostat
B2 Left-hand fan oven control
B3 Left-hand fan oven element
B4 Left-hand fan oven fan
C Clock
D1 Right-hand fan oven thermostat
D2 Right-hand fan oven control
D3 Right-hand fan oven element
D4 Right-hand fan oven fan
Code Description
F1 Oven light switch
F2 Oven light
G Neon
H Thermal cut-out
I Induction relay
J Cooling fan
Code Colour
b Blue
br Brown
bk Black
or Orange
r Red
v Violet
w White
y Yellow
g/y Green / Yellow
gr Green

Related product manuals