EasyManua.ls Logo

Rational SelfCookingCenter SCC - SSR Heating Control (3 NAC;400 V); Heating Element Check; Heating Control Circuit Diagram

Rational SelfCookingCenter SCC
91 pages
Print Icon
To Next Page IconTo Next Page
To Next Page IconTo Next Page
To Previous Page IconTo Previous Page
To Previous Page IconTo Previous Page
Loading...
- 55 - V08 en, SCC
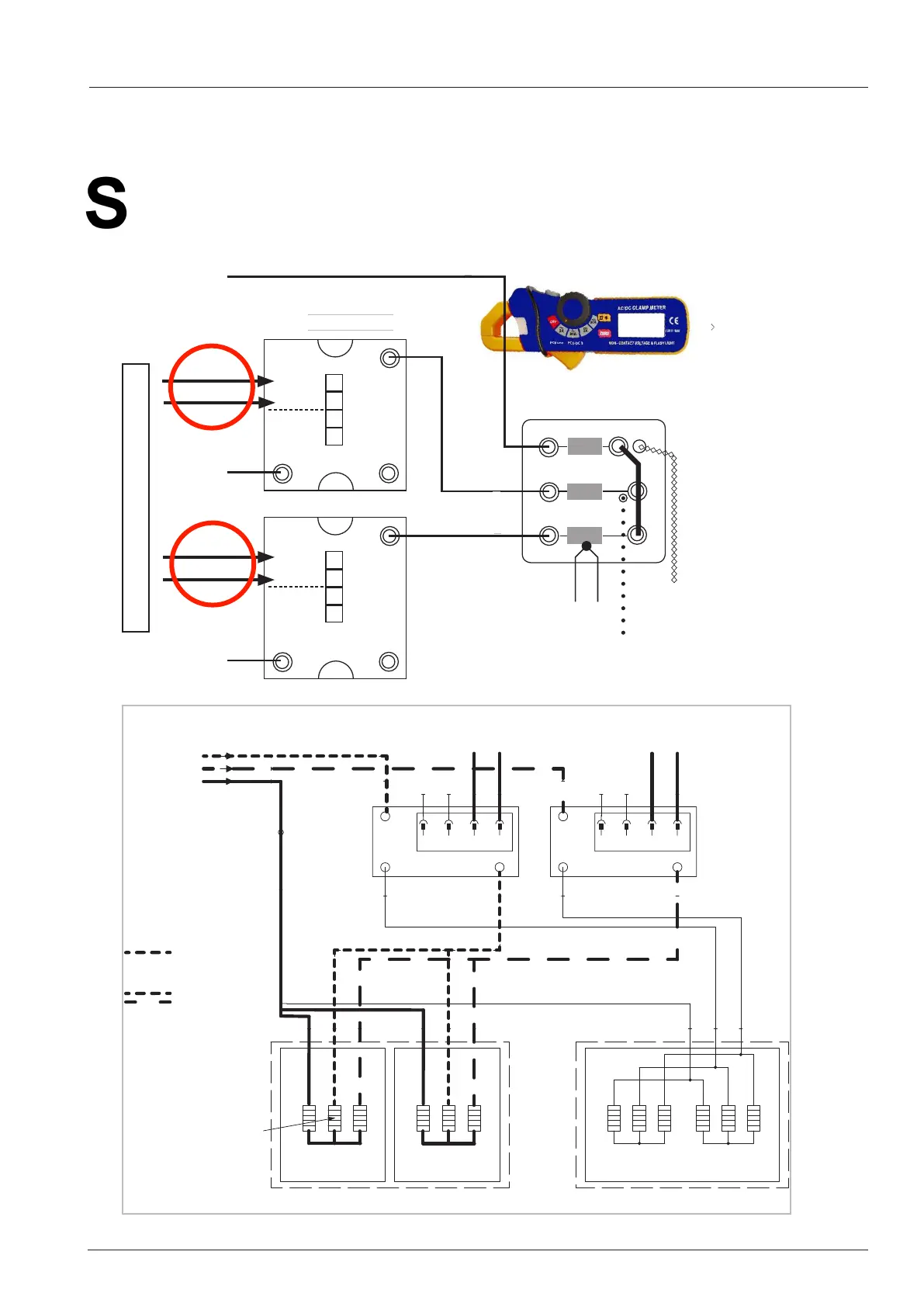
Control of SSR steam element at 100% energy demand
Star connection 3(N)AC 400-480V
To check the heating elements in 100% energy demand:
Function test 100%
I=P / (1.73 x V)
e.g. I= 9000W/(1.73 x 400V) = 13A
Steam generator
safety thermostat 160°C
Thermocouple B5
12V DC
Violet
A1/B1
B2
A2
+
-
+
-
A
B
A1/B1 - A2 Steam / Dampf
A1/B1 - B2 Hot Air / Heißlu
A1/B1
B2
A2
+
-
+
-
A
B
L3
L2
L1
P
C
B
0V DC
Orange
Black
B5
12V DC
0V DC
SSR 100% power at 3NAC/400V
BK
OG
VT
X00
L3
R1
9kW(3x3kW)
Thermocouple B5
D1/D2
2
1
VT
4
3
BK
6
5
OG
V1
A1/B1
B2
A2
B-
B+
A- A+
BKBK
(HL2)
R2
9kW(3x3kW)
2
D1/D2
1
XV1
44
VT
4
3
33
BK
6
5
22
OG
(D1)
11
BK
V2
A1/B1
B2
B-
B+
A- A+
A2
OGOG
(HL1)
XV2
44
R4
18kW(6x3kW)
1
2
HL1/HL2
33
5
6
22
9
10
(D2)
11
OG
VT
3
4
BK
7
8
OG
11
12
HA2 HA1
ST1 ST2
VT
L1
L2
L3
V1 - 9KW
V1+V2 - 18KW

Table of Contents

Related product manuals