EasyManua.ls Logo

Rational SelfCookingCenter SCC - SSR Heating Control (3 AC;200-240 V); Heating Element Check (3 AC); Heating Control Circuit Diagram (3 AC)

Rational SelfCookingCenter SCC
91 pages
Print Icon
To Next Page IconTo Next Page
To Next Page IconTo Next Page
To Previous Page IconTo Previous Page
To Previous Page IconTo Previous Page
Loading...
V08 en, SCC - 56 -
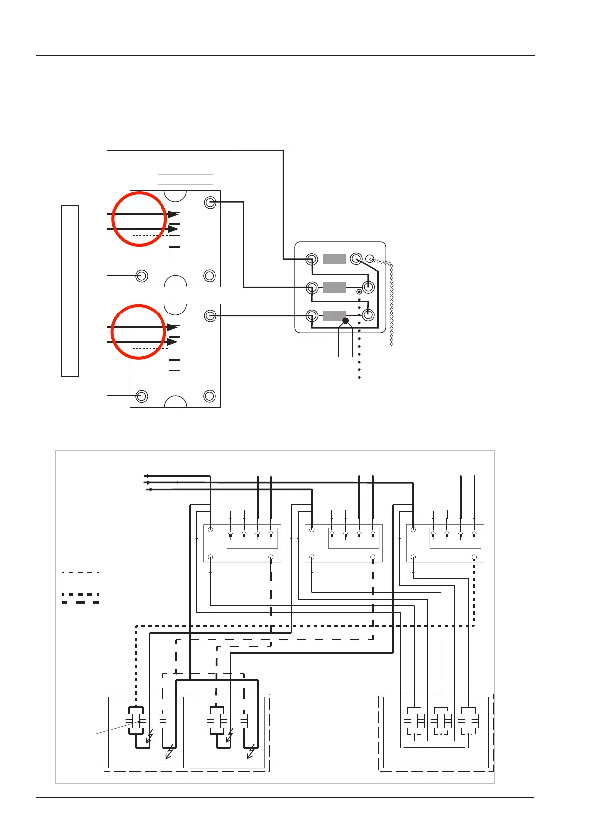
Control of SSR steam element at 100% energy demand
Delta connection 3AC 200-240V
Steam generator
safety thermostat 160°C
Thermocouple B5
SSR 100% power at 3AC 200-240V
Violet
Orange
A1/B1
B2
A2
+
-
+
-
A
B
A1/B1 - A2 Steam / Dampf
A1/B1 - B2 Hot Air / Heißlu
A1/B1
B2
A2
+
-
+
-
A
B
L3
L2
L1
P
C
B
Black
B5
12V DC
0V DC
12V DC
0V DC
BK
OG
VT
R1
9kW(3x3kW)
1
2
D1/D2
Thermocouple B5
WH
3
4
OG
5
6
GY
BK
BK
BK
V1
A1/B1
B2
B-
A2
R2
B+
A- A+
9kW(3x3kW)
1
2
D1/D2
BKBN
BN
3
4
(HL1)
XV1
BN
44
VT
5
6
33
RD
22
OGBK
11
(D2)
GYBN
OG
OG
V2
A1/B1
B2
A2
B-
B+
A- A+
OGGY
XV2
(HL1)
44
BN
33
RD
22
OG
(D2)
11
GYGY
VT
VT
V3
A1/B1
B2
A2
B-
B+
A- A+
VTWH
XV3
(HL2)
44
BN
33
RD
22
OG
(D1)
11
WHWH
BK
R4
8
7
18kW(6x3kW)
HL1/HL2
BN
6
5
OG
12
11
GY
10
9
VT
4
3
WH
2
1
HA2
HA1
ST1ST2ST2
HA1
V3 - 6KW
V1+V2+V3 - 18KW

Table of Contents

Related product manuals