EasyManua.ls Logo

Rational SelfCookingCenter whitefficiency - SCC_WE Electric (Index H): Basic Principle

Rational SelfCookingCenter whitefficiency
76 pages
Print Icon
To Next Page IconTo Next Page
To Next Page IconTo Next Page
To Previous Page IconTo Previous Page
To Previous Page IconTo Previous Page
Loading...
V02 en, SCC_WE - 18 -
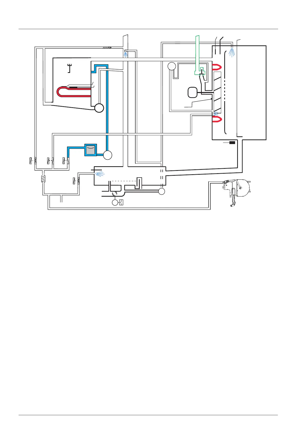
SCC_WE Electric (Index H): Basic principle
B1 Thermocouple interior cabinet
B2 Thermocouple quenching
B3.1-B3.6 Thermocouples core temperature
B4 Thermocouple humidity
B5 Thermocouple steam generator (preheat, 180°C (356°F) max)
F3 Safety thermostat steam generator 160°C (320°F)
F4 Safety thermostat interior cabinet 360°C (680°F)
M1 Fan motor (Floor unit: top)
M4 SC-pump
M6 CleanJet pump
M7 Motor drain valve / ball valve
M12 Care pump
S2 Level electrode
S3 Door reed switch
S11 CDS sensor
S12 Micro switch drain valve
P1 Differential Pressure sensor humidity
Y1 Solenoid valve filling
Y2 Solenoid valve quenching
Y3 Solenoid valve moistening
Y4 Solenoid valve Care
Y5 Solenoid valve Clima
SCC 201/202 only:
M2 Fan motor bottom with jumper ( Floor units only)
B1
B3.1 - 3.6
F4
P1
M4
M6
Y1
Y2
Y3
B2
M1
S2
M7
S12
B4
B5
F3
S3
Y4
S11
M12
Care
Y5

Table of Contents

Related product manuals