EasyManua.ls Logo

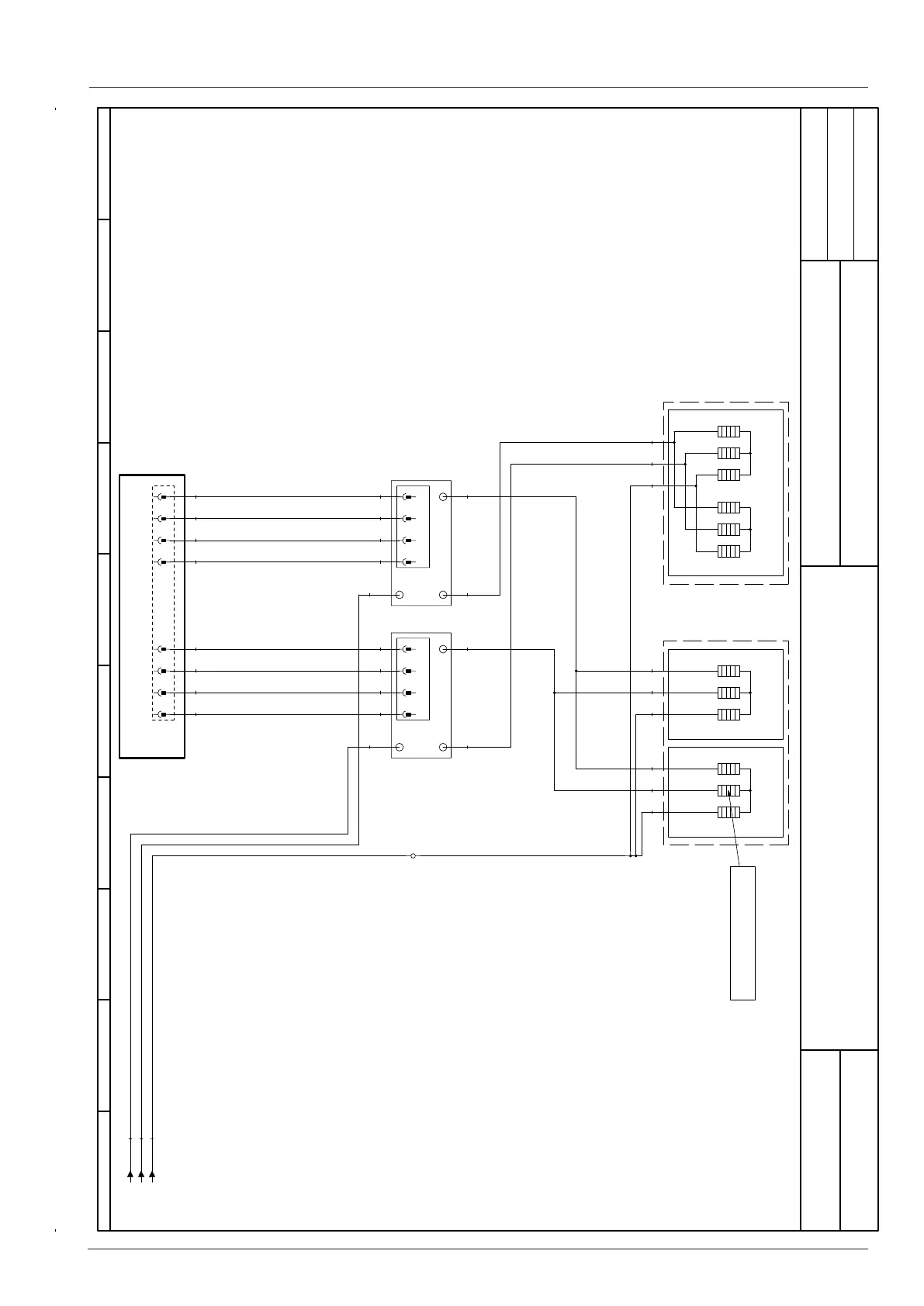
Rational SelfCookingCenter whitefficiency - Circuit Diagram 101 Heating 3 NAC 400-415 V

Rational SelfCookingCenter whitefficiency
76 pages
Print Icon
To Next Page IconTo Next Page
To Next Page IconTo Next Page
To Previous Page IconTo Previous Page
To Previous Page IconTo Previous Page
Loading...
- 67 - V02 en, SCC_WE
Circuit diagram 101 Heating 3NAC 400-415V
76-00441
1Version
MODUL 2
Heizung/Heating
SCC WE 101E
3NAC400 V 50/60 Hz
Erstellt von
Created by
Datum
Date
Blatt
Page
SCHD
2
05.10.2011
1.08 / K1:1
1.08 / K1:3
1.08 / K1:5
BK
OG
VT
Thermoelement Dampfgenerator
Thermocouple steam generator
L3X00
R1
9kW(3x3kW)
D1/D2
2
1
VT
4
3
BK
6
5
OG
V1
B- B+
A- A+
A1/B1
B2
A2
BKBK
(HL2)
R2
9kW(3x3kW)
D1/D2
2
1
X24
HL2-
44
XV1
44
BNBNVT
4
3
HL2+
33
33
RDRDBK
6
5
D1-
22
22
OGOGOG
(D1)
D1+
11
11
WHWHBK
V2
B- B+
A- A+
A1/B1
B2
A2
OGOG
(HL1)
HL1-
88
XV2
44
BNBN
R4
18kW(6x3kW)
HL1/HL2
1
2
HL1+
77
33
RDRD
5
6
D2-
66
22
OGOG
9
10
(D2)
D2+
55
11
GYGYOG
VT
3
4
BK
7
8
OG
11
12
A2
0

Table of Contents

Related product manuals