EasyManua.ls Logo

Rational SelfCookingCenter whitefficiency - Solidstaterelay (SSR) Internal Design; Test

Rational SelfCookingCenter whitefficiency
76 pages
Print Icon
To Next Page IconTo Next Page
To Next Page IconTo Next Page
To Previous Page IconTo Previous Page
To Previous Page IconTo Previous Page
Loading...
- 31 - V02 en, SCC_WE
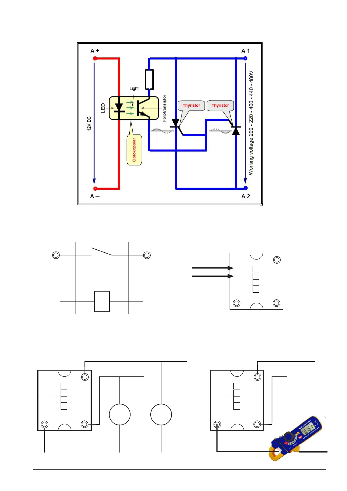
SolidStateRelay (SSR) internal design / Test
A1/B1
B2
A2
+
-
+
-
A
B
A1/B1 - A2 Steam / Dampf
A1/B1 - B2 Hot Air / Heißluft
12V DC
0V DC
A1/B1
A2
12V DC
0V DC
Contactor with 12V DC coil SSR with 12V DC control
SSR Test: Unit is switched ON and cabinet door is open
L1 - L2 = 400V
A1/B1
B2
A2
+
-
+
-
A
B
Volt Volt
400V = ok 400V = ok
A1/B1
B2
A2
+
-
+
-
A
B
0 Amp = ok

Table of Contents

Related product manuals