EasyManua.ls Logo

Raymarine EVOLUTION ACU-150 - 12.1 SeaTalkng pilot controller connection

Raymarine EVOLUTION ACU-150
Print Icon
To Next Page IconTo Next Page
To Next Page IconTo Next Page
To Previous Page IconTo Previous Page
To Previous Page IconTo Previous Page
Loading...
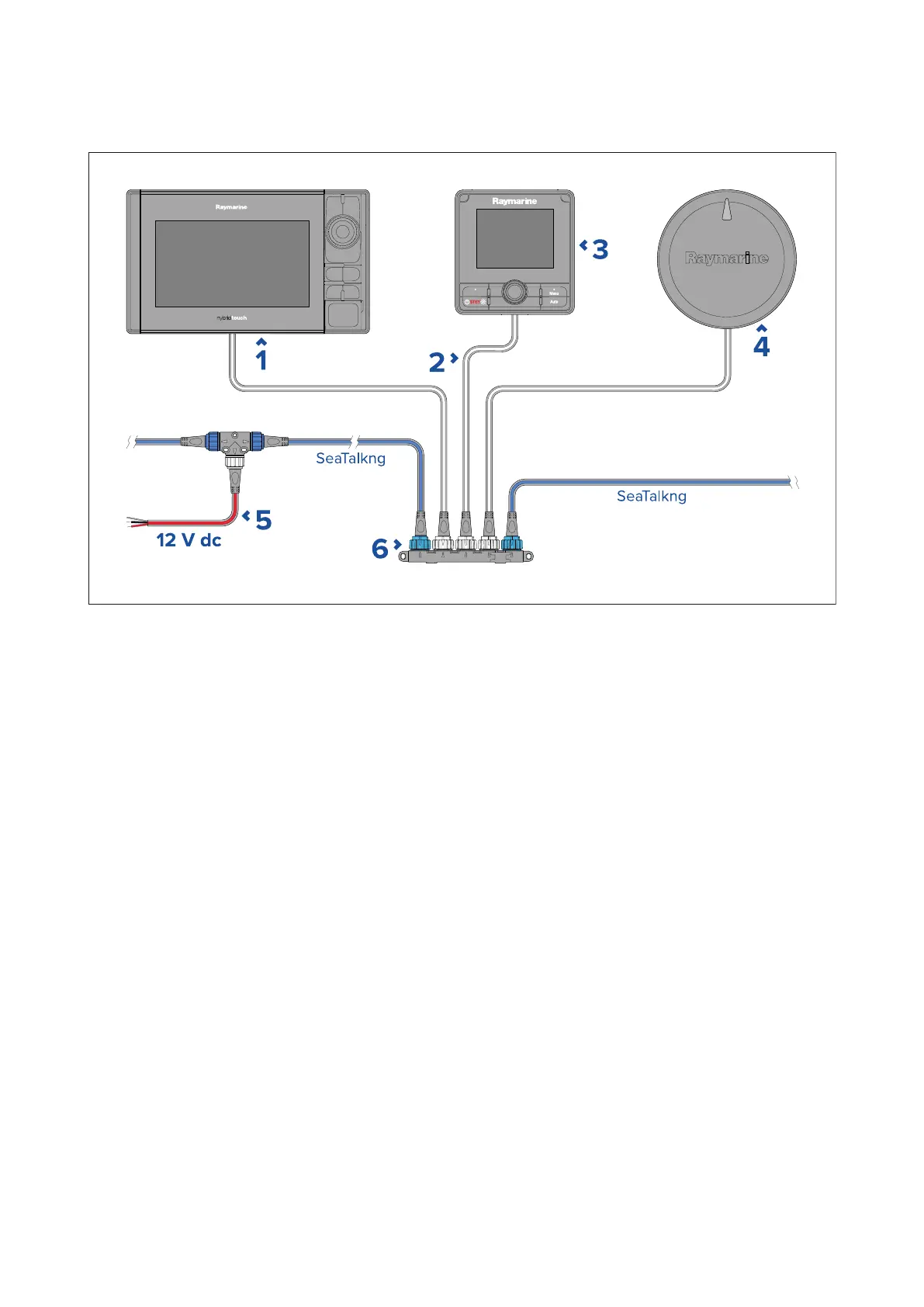
12.1 SeaTalkng pilot controller connection
SeaTalkng ®パイロットコントローラは、EVオートパイロットと同じSeaTalkng ®バック
ボーンに直接接続されます。
1.SeaTalkng ®MFD(MFDsrequireaseparatepowersupply.)
2.SeaTalkng®spurcable
3.SeaTalkng®pilotcontroller(poweredfromtheSea Talkng®backbone.)
4.SeaTalkng®autopilot
5.SeaTalkng®12Vdcpowersupplyconnection
6.SeaTalkng®5-wayblock
104

Table of Contents