EasyManua.ls Logo

Raymarine EVOLUTION ACU-200 - Solenoid (drive) and bypass valve connection - ACU-300

Raymarine EVOLUTION ACU-200
Print Icon
To Next Page IconTo Next Page
To Next Page IconTo Next Page
To Previous Page IconTo Previous Page
To Previous Page IconTo Previous Page
Loading...
ソレノイド(ドライブ)とバイパスバルブの接続 - ACU-300
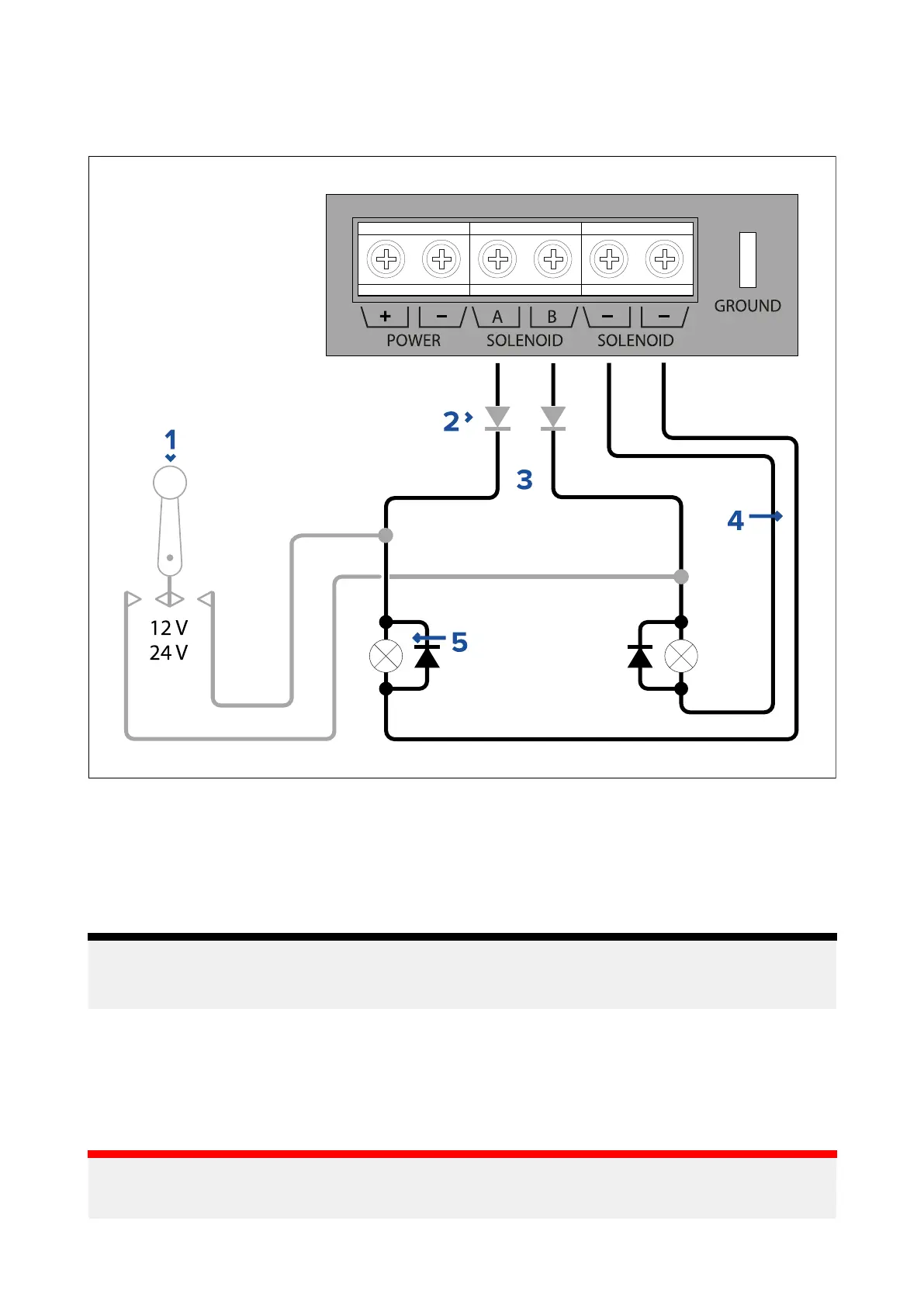
定常運転ポンプ(ソレノイド)ドライブはACU-300の接続パネルに接続します。
ソレノイドドライブ接続
1.電子ステアリング/ジョグレバー(必要な場合)
2.バックフィード保護ダイオード(電子ステアリングまたはジョグレバーを使用する場合)
3.ソレノイドアウト
4.ソレノイドリターン
5.ソレノイドバルブ(スプールバルブにダイオードを使用する場合)
Note:
電子ステアリングまたはジョグレバーを使用する場合は、ACUへのバックフィードを防ぐため、ソレノイド出力
にダイオード(推奨タイプ:1N4004)をインラインで取り付けます。
バイパスバルブの接続と電圧スイッチ
一部のドライブには、オートパイロットがスタンバイ状態のときにステアリングへの影響を最小にするため に、電気
的に動作するバイパスバルブが装備されています。
ドライブに独立したバイパスバルブがある場合は、ACU のバイパス接続に接続し、電圧選択スイッチが適切な 12
V / 24 V に正しく設定されていることを確認します。
Important: 装置への潜在的な損傷を避けるため、電圧セレクタースイッチが正しい設定になっていることを確
認してください。バイパスバルブの電圧は、ドライブ本体の電圧と異なる場合があります。不明な場合は、ドラ
イブユニットの製造元にお問い合わせください。
96

Table of Contents

Other manuals for Raymarine EVOLUTION ACU-200

Related product manuals