EasyManua.ls Logo

Raytheon Beech Baron E55 - Page 747

Raytheon Beech Baron E55
903 pages
Print Icon
To Next Page IconTo Next Page
To Next Page IconTo Next Page
To Previous Page IconTo Previous Page
To Previous Page IconTo Previous Page
Loading...
T4
R´•l
T3
R1
´•P
CR1
5A
Q1
L__-_
T5
E1A20
E1820
E2B20N
E2A20N
RI
RI
1
T4
T3
T4
T3
T2
:~8t
T1
T1
T2
I
T1
T5
I
I
T5
T2
_i
PRINTED
CIRCt7T
I
I
E47C20
M
r20GA-i
1
I
/20GA1A
oO
12
T100O
A
II/
~L/
~v
000
i
r
r
_
r_
r
T5
T4
T3
Oo
o
o
E3B20P
E4A20
O
E4B2
E48A20
E46A20
ct~
E47A20
E49A20
Q
RH
LH
PRINTED
CIRCUIT
sOAfin
PRINTED
CIRCUIT
BOARDS
ARE
E47B20
E49B20
E46820
E48B20
OE:
INDICATOR
E63A20N
E63A20N
E62A20N
E64A20N
~-L
~L
-L
-L
i.
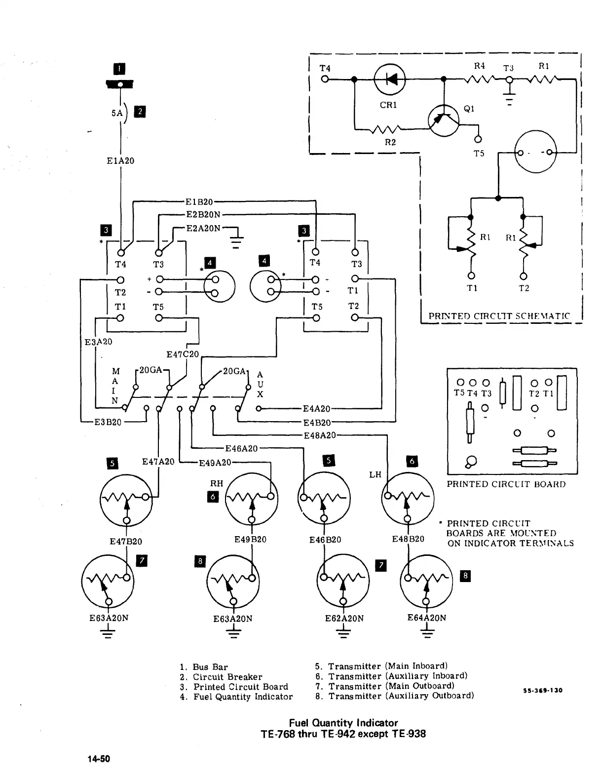
Bus
Bar
5.
Transmitter
(Main
Inboard)
2.
Circuit
Breaker
6.
Transmitter
(Auxiliary
Inboard)
3.
Printed
Circuit
Board
7.
Transmitter
(Main
Outboard)
4.
Fuel
Quantity
Indicator
6.
Transmitter
(Auxiliary
Outboardf
Fuel
Quantity
Indicator
TE-768
thru
TE-942
except
TE-938
14-50

Table of Contents

Related product manuals