EasyManua.ls Logo

Raytheon Beech Baron E55 - Page 801

Raytheon Beech Baron E55
903 pages
Print Icon
To Next Page IconTo Next Page
To Next Page IconTo Next Page
To Previous Page IconTo Previous Page
To Previous Page IconTo Previous Page
Loading...
P
P
I
c~---
H40A12
I
(s
15A
´•;=i;
H58A20
H59A20
H40B12
I
I
f~
EBADCG
I~
tT-
..T.
-1´•
.I´•
.1.
´•I,
MBOARD
I I
IO~TBOARD
O~TBOARD
IhTBOARD
rH5QA?6~
H45A12~
I~
I
I
I
I
IEll
n
B
H44A14
H41A14
A
t---~c-H43A14-------’
B
c
~-------H47A141‘j1
r
H46A14h’
C
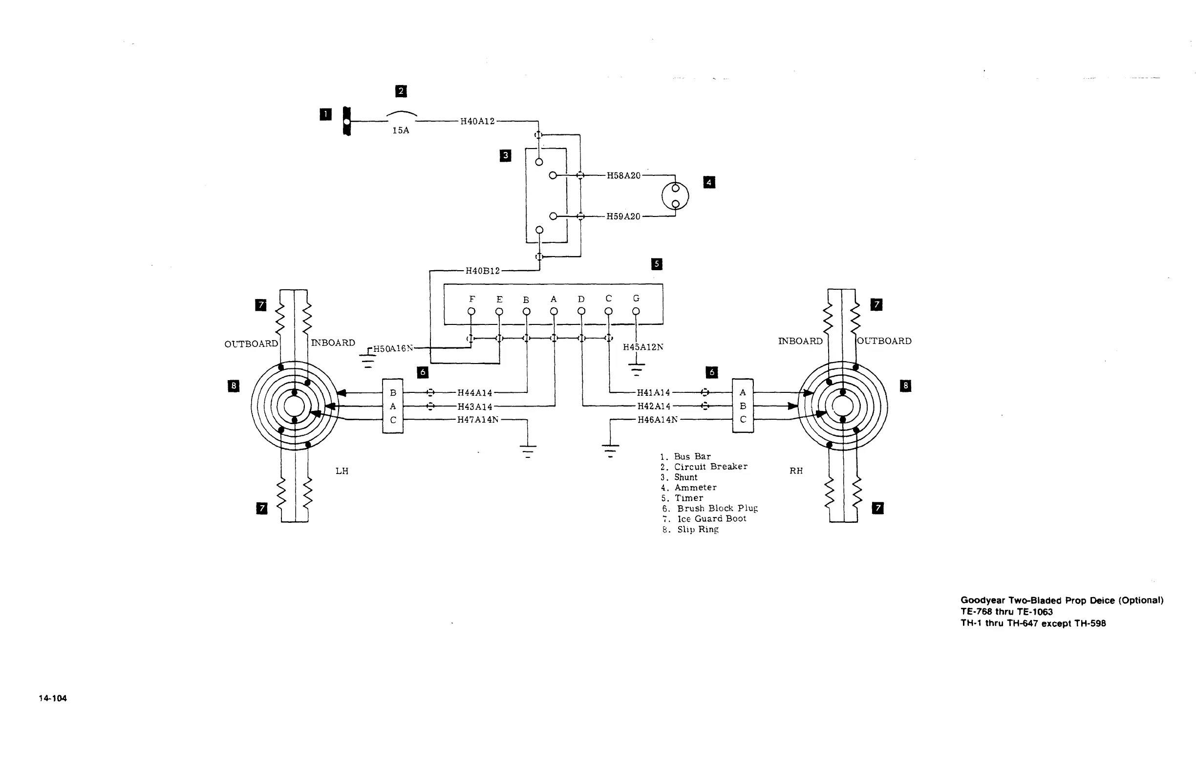
1.
Bus
Bar
2.
Circuit
Breaker
LH
RH
3.
Shunt
4.
Ammeter
5.
Timer
C1
I
6.
Brush
Block
Plu~
Ice
Guard
Boot
El.
Sliy
Rinfi
Goodyear
Two-Bleded
Prop
Deice
(Optional)
TE-768
thru
TE-1063
TH´•I
thru
tH-647
except
fH-596
14´•)04

Table of Contents

Related product manuals