EasyManua.ls Logo

Raytheon Beech Baron E55 - Page 803

Raytheon Beech Baron E55
903 pages
Print Icon
To Next Page IconTo Next Page
To Next Page IconTo Next Page
To Previous Page IconTo Previous Page
To Previous Page IconTo Previous Page
Loading...
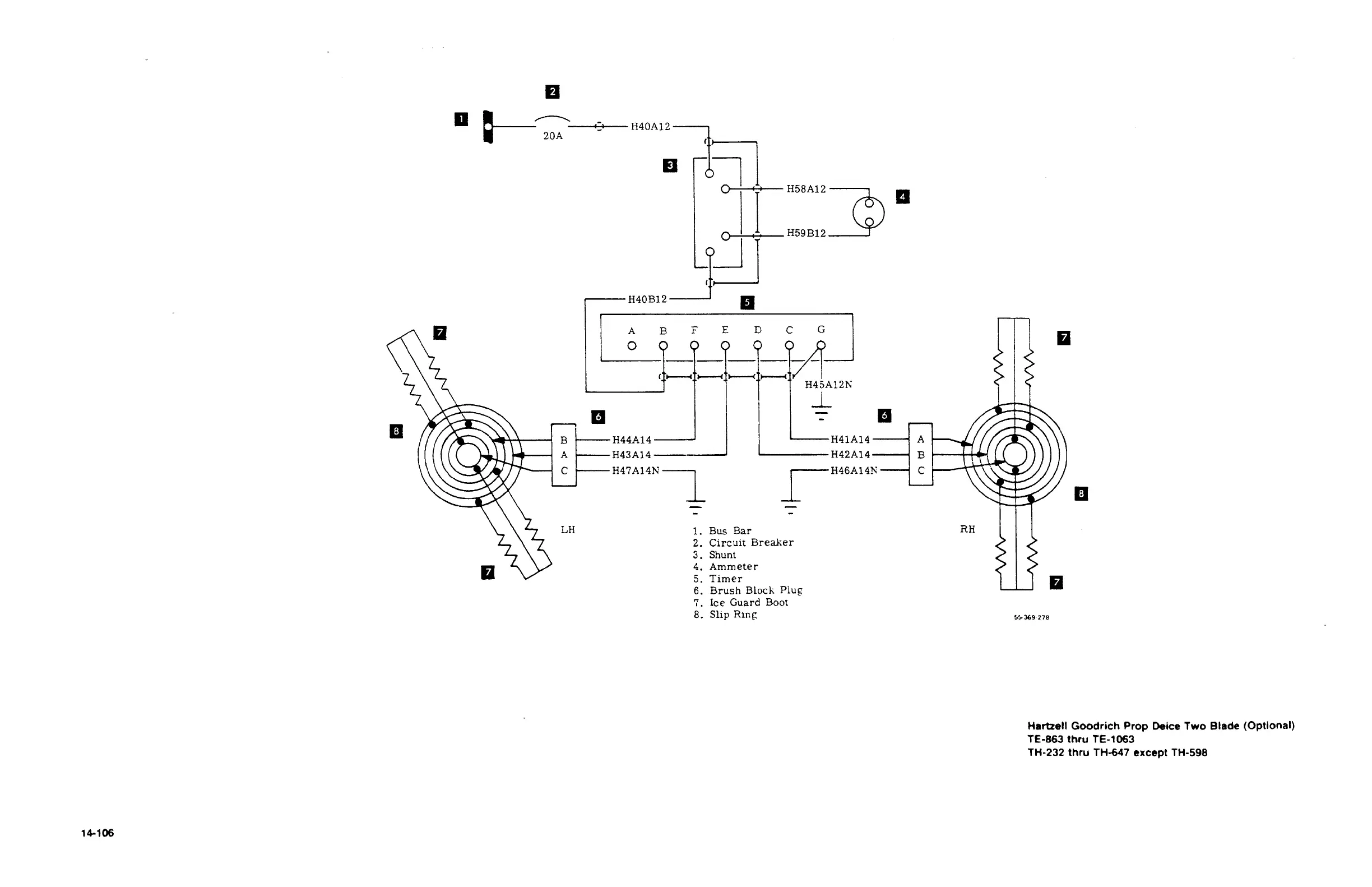
H40A12
20A
I
O
ia?
i
H58A12
0~----
H59B12
H40B12
P
ABFEDCG
O
H4jA12h~
1_
H44A14
jLr
H41A14------I
A
A
H43A14
H42A14--------(
B
C
~------H47A14hT1
_rH46A14N
------1
C
I~
LH
1.
Bus
Bar
RH
2.
Circuit
Breaker
3.
shunt
4.
Ammeter
j.
Timer
6.
Brush
Block
Plug
7.
Ice
Guard
Boot
8.
Slip
RlnF
55´•369178
Hartzell
Goodrich
Prop
Deice
Two
Blade
(Optional)
TE-863
thru
TE-1063
TH´•232
thru
TH647
except
TH-598
14-106

Table of Contents

Related product manuals