EasyManua.ls Logo

RCA RDR9000 - Page 52

RCA RDR9000
352 pages
Print Icon
To Next Page IconTo Next Page
To Next Page IconTo Next Page
To Previous Page IconTo Previous Page
To Previous Page IconTo Previous Page
Loading...
Service Manual 6. UHF1 (400-470 MHz) Information
42
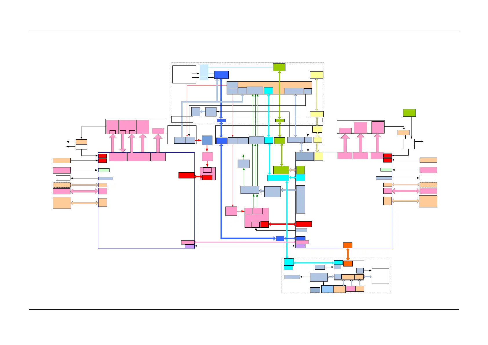
Block Diagram (Baseband Section)
BR261
OMAP-L138B
ZWTA3
EMA
CLK
NOR Flash
512 Mbit
DAC
PLL
MCASP
(ACLKX)
UART0
USB0
GPIO
LCD
Backlight
JTAG
JTAG
RF Unit
Audio
PA
UART1
RTC
32768 Hz
Crystal
32768 Hz
AXR8/15
DDR
MDDR
/RESETOUT
RST OUT
SPI1
McBSP1
LPC1774FBD208
UARTA
TFT2.4
240*320
SDRAM
NOR
Flash
Key
Encoder Switch
Backlight Control
EMC
GPIO
Control Head
INT SPK
MAC
RMII
GPIO
Audio Filter,
Amp, Switch
RST
19.2 MHz
Handset_audio
RX_audio
PA_audio
USB
USB
Switch
MAX803
Ext_mic
NOR Flash
IO Expand
RESET
/RESET
WD_RST
TX/RX
CTRL
VC-TCXO
Amp Filter
MOD_XO
To FGU
McBSP0
UART2
UART1
PTT
Ethernet
PHY
Ext_Mic
Handset_Audio
RX_Audio
PA_Audio
DB26
Control IO
Switch
USB Switch
NX3DV42GU
EPWM0B
GPIO
IO Expand
(74AHC594)
INT_SPK
SPK1
SPK2
CODEC
IIS
Headset
Driver
ADC
CP_IN
GPIO
SPI1/2
SPI1 (CS0)
McBSP1 RX
OMAPL138BZWTA3
EMA
CLK
NOR Flash
512 Mbit
DAC
TLV5614
PLL
SKY72310
IF processor
AD9864
McBSP1 TX
MCASP
(ACLKX)
SPI
SSI
IO CTRL
GPIO
JTAG
JTAG
RF Unit
SSI
RTC
32768 Hz
Crystal
32768 Hz
SPI1 (CS1)
DDR
MDDR
/RESETOUT
RST OUT
SPI1McBSP1
19.2 MHz
NOR Flash
IO Expand
RESET
/RESET
RX
CTRL
VC-TCXO
Amp Filter
MOD_XO
To AD9864
To FGU
McBSP0
GPIO
OMAP_SYNC
DB9
For GPS
PTT1
PTT2
RJ45
Transformer
Ext_Mic1
Slot1_Audio
Slot2/RX_Audio
PA_Audio
DB26
IO Expand
(Programmable IN/OUT)
DB26
Rear Board
LED Indicator
SPDT
Fan
Driver
EXT
PWR
EXT
PWR
FAN
USB
RS232
TS5A3159
SMA
CODEC
IIS
ADC
Ext_Mic2
Ext_Mic
BR261
Switch
AXR8/15
19.2 MHz CLK
From GPS Board
USB0
USB0
UART2
RS232
DB15
For BS Application
GPIOs
To Rear
DB15, DB9
SPI
Expand
3GPIO
From Control Head MCU
IDC26
IDC10
IDC10
EXT
PWR
IDC10

Table of Contents