EasyManua.ls Logo

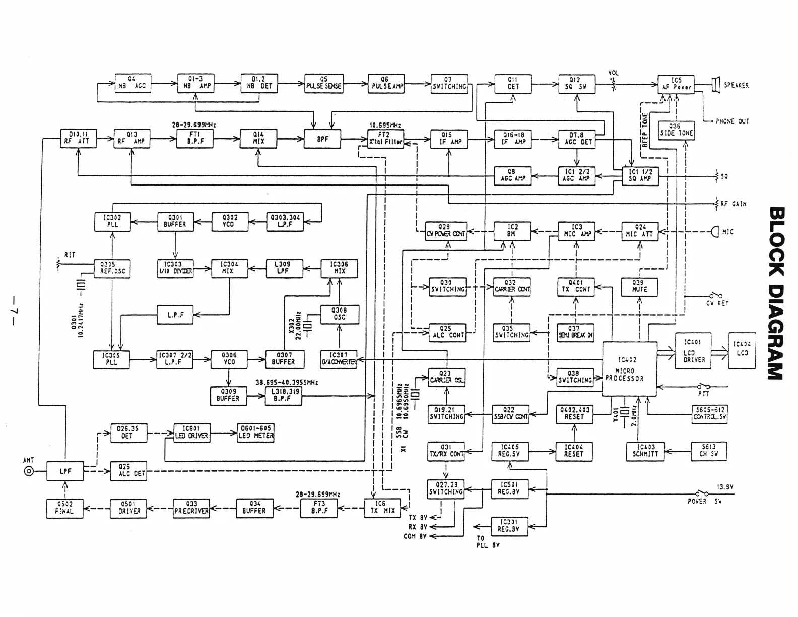
Realistic HTX-100 - Block Diagram

Realistic HTX-100
59 pages
Print Icon
To Next Page IconTo Next Page
To Next Page IconTo Next Page
To Previous Page IconTo Previous Page
To Previous Page IconTo Previous Page
Loading...
....,
I
S?EAKER
~-.....---~
~~
I
I
I
l_----~---------------------------------t-ri---~RF
Cl!N
I
_f
--o29~
LlOi~o:Mr--
1.\
I I
I I
~
.l
_L---{]
MIC
--
I I
I I
----~
~---------
1 I
I I :
I
----
I I
---r-----
J
..
-~
o-
..,_.
0"'!
~
I I I I
'
'en
.__
"tl
~IE!
I I
I I
I
I I I
I I I
-~-=->1.lL~
2
~0HT~J
~
,
....
1~£-
1
11\oc::::J
"'"'T
1::
leo
~--
J~sL.
I I 1..,
~~--
Ill~~
. I I I I I -
I I I
)C
.lilT I I I I
~=-~
m
m~------------------------------HJ
l I l---1
~WITCHING
-
C:502
0501
I I
,
..
i,.~L
r=--~
OR!'iEA
~--
I
TX
BY...::-
RX
SV
~
C0/'1
8V
TO
PLL
8V
I
r---
I
I I I
~
~J9
I
HUT~
1---.o"o
I
~---~----
~~
r~
I
I
r I
c~
~ET
I I
----l-----~-
1
I
I
13
.
9V
~------------------------<~
POwB
51
m
,..
0
n
~
c
-
,..
G)
~
~

Other manuals for Realistic HTX-100

Related product manuals